三菱fx5uplc接线图

plc 三菱fx5u输出接线 #每天学习一点点 - 抖音
图片尺寸872x1660
三菱fx5uplc模块硬件接线图
图片尺寸719x542
三菱plc接线图问题
图片尺寸890x592
三菱fx5u系列plc大讲堂5模拟量输入模块
图片尺寸521x501
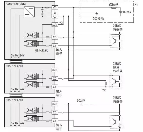
三菱fx5uplc模块硬件接线图
图片尺寸689x819
三菱fx5u模块接线大全
图片尺寸772x535
fx5u-64mt/es_三菱fx系列plc_fx5u-64mt价格_三菱plc-深圳海蓝机电
图片尺寸493x441
三菱fx5uplc模块硬件接线图
图片尺寸687x462
三菱fx5uplc模块硬件接线图
图片尺寸652x687
编码器与三菱变频器接线图
图片尺寸818x1137
▼ fx5uplc间接线图
图片尺寸640x335
三菱fx5uplc模块硬件接线图
图片尺寸670x625
三菱fx5uplc模块硬件接线图
图片尺寸587x540
三菱fx5uc与终端模块的输入输出接线图
图片尺寸513x282
三菱fx5uc与终端模块的输入输出接线图
图片尺寸464x341
急求三菱fx5与伺服mrje200a的接线图感谢05
图片尺寸1252x830
三菱fxplc接线使用外部电源视频零基础入门学习plc自动化编程
图片尺寸761x554
三菱plc接线图例.doc 23页
图片尺寸793x1120
三菱fx5系列cpu模块与mrj4a系列的连接
图片尺寸500x587
三菱plc输入输出接线图
图片尺寸572x636