中华骏捷线路图

中华骏捷轿车无法启动故障检修
图片尺寸3419x2267
2008华晨中华骏捷frv电路图
图片尺寸1190x1684
2009华晨中华骏捷fsv原厂电路图
图片尺寸956x1398
中华07骏捷保险丝图 骏捷保险图
图片尺寸658x529
【图】华晨高工请进:恳求骏捷fsv全车电器电路图_中华骏捷fsv论坛
图片尺寸700x410
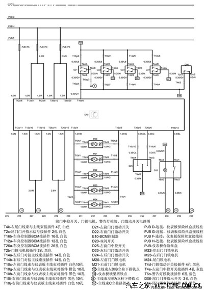
中华骏捷frv中央控制门锁电路图
图片尺寸700x648
【图】fsv cd接线定义图_中华骏捷fsv论坛_汽车之家论坛
图片尺寸318x315
中华骏捷 防盗电路图
图片尺寸602x464
网上找的frv电路图仅供参考_中华h320/骏捷frv论坛_手机汽车之家
图片尺寸400x570
中华骏捷fsv论坛_汽车之家论坛
图片尺寸700x525
【图】根据说明书告诉你们几个重要的保险丝_中华h320/骏捷frv论坛
图片尺寸654x587
中华h320/骏捷frv论坛_汽车之家论坛
图片尺寸700x933
修中控锁_中华h320/骏捷frv论坛_手机汽车之家
图片尺寸400x569
仪表灯突然不亮了_中华h320/骏捷frv论坛_汽车之家论坛
图片尺寸527x750
【图】华晨高工请进:恳求骏捷fsv全车电器电路图_中华骏捷fsv论坛
图片尺寸700x440
【中华骏捷】玻璃升降器线路图
图片尺寸603x605
中华骏捷fsv论坛_汽车之家论坛
图片尺寸700x490
20132014款华晨中华h530原厂电路图资料下载
图片尺寸1334x1444
(更新)_骏捷论坛_中华论坛_xcar 爱卡汽车俱乐部
图片尺寸905x583
网上找的frv电路图仅供参考_中华h320/骏捷frv论坛_手机汽车之家
图片尺寸400x570