位移传感器接线

germanjet进口184 series磁致伸缩位移传感器 拉杆尺 悬浮电子尺
图片尺寸1071x565
位移传感器接线图-位移传感器的型号规格-上海光洋欧克电子科技发展
图片尺寸700x546
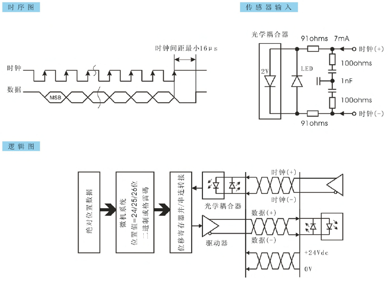
磁致伸缩位移传感器的输出信号,接线和信号联接:致伸缩位移传感器的
图片尺寸986x800
germanjet徳敏哲磁致伸缩位移传感器接线图
图片尺寸761x552
miran米朗ktc1内拉杆式注塑机电子尺 高精度直线位移传感器电阻尺
图片尺寸774x653
拉绳位移传感器电压输出原理接线图
图片尺寸568x315
Φ8笔式位移传感器
图片尺寸1069x455
磁致伸缩位移传感器直出电缆接线图-模拟信号输出
图片尺寸360x360
电位计原理位移传感器怎么正确接线
图片尺寸750x332
传感器的接线图
图片尺寸437x335
lvdt回弹式位移传感器天宇恒创wdc位移拉杆式位移差动式直线位移
图片尺寸930x443
拉绳位移传感器如何plc接线
图片尺寸565x504
电阻尺换成磁致伸缩位移传感器接线方法
图片尺寸585x511
米兰特cwy微型拉杆式位移传感器
图片尺寸960x666
拉绳位移传感器电流三线制原理接线图
图片尺寸481x306
实验二 电容式传感器的位移实验
图片尺寸1158x465
磁致伸缩位移传感器接线与安装
图片尺寸696x299
位移传感器跟数显表的接线方式
图片尺寸1080x1920
sdvg20分体式lvdt位移传感器
图片尺寸960x409
激光位移传感器cd33系列-北京伊登科技有限公司-eden
图片尺寸1177x745