值班室平面图

民警值班室平面图
图片尺寸760x439
医生办公室及医护值班室定位图.
图片尺寸2000x3000
门卫室值班室平面图
图片尺寸950x590
值班室 简易木房
图片尺寸1024x723![[深圳]某公安局特警支队值班室施工图](https://i.ecywang.com/upload/1/img1.baidu.com/it/u=2622552310,1700633367&fm=253&fmt=auto&app=138&f=JPEG?w=500&h=375)
[深圳]某公安局特警支队值班室施工图
图片尺寸560x420
值班室--云南教育全视角网
图片尺寸4708x3111
穆村变电站值班室定置图_第1页
图片尺寸920x1302
值班室平面图
图片尺寸820x586
标准化值班室方案
图片尺寸800x1132![[北京]某值班室设计项目施工图](https://i.ecywang.com/upload/1/img0.baidu.com/it/u=1268235632,208985460&fm=253&fmt=auto&app=138&f=JPG?w=500&h=463)
[北京]某值班室设计项目施工图
图片尺寸695x644
值班室详图
图片尺寸1031x743
值班室二平面图及立面图.jpg
图片尺寸6064x4961
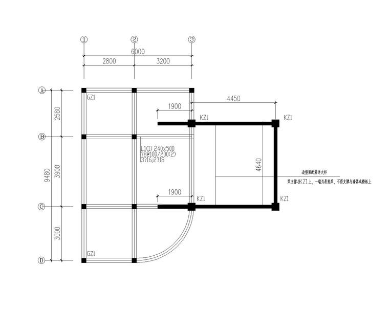
值班室平面大样
图片尺寸429x404
某砖混值班室结构设计图
图片尺寸610x861
有有患者入口兼用家属谈话室无有无家属等候区有有有(兼家属谈话室)
图片尺寸1009x595
乌兰察布分公司平面图及消防器材分布图(1)
图片尺寸1208x449
08sj928:社区卫生服务中心和服务站
图片尺寸1407x983
注:屠宰点共用地5000㎡15,值班室(检疫检验室)20㎡14,停车生活区:20*
图片尺寸529x788
某地单层砖混结构值班室建筑设计方案图
图片尺寸610x432
值班室结构布置图.jpg
图片尺寸760x608