储纬器拆装图

喷水织布机储纬器
图片尺寸548x439
s6问题科普贴
图片尺寸506x489
嗡嗡嗡还是哒哒哒关于手机振动的那些事
图片尺寸720x459
这个零件叫什么
图片尺寸1022x641
cn105177830b_一种喷气织机用节能储纬器有效
图片尺寸887x724
喷水织布机电器宁波新辽xl1200xl25电子储纬器说明书
图片尺寸3120x4160
e企购
图片尺寸750x551
cn106350926a_一种拘束飞行的电子储纬器有效
图片尺寸1000x807
一种储纬器
图片尺寸1000x582
2019-02-16
图片尺寸640x744
一种储纬器的制作方法
图片尺寸1000x900
一种储纬器
图片尺寸1031x928
fuse, multi block,38232t6aj01
图片尺寸1920x960
cn206467394u_一种可调节纬纱张力的储纬器有效
图片尺寸991x1000
航母弹射
图片尺寸300x267
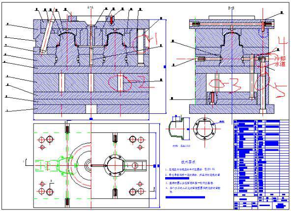
黄维(模具厂家)
图片尺寸592x430
无张力储纬器的制作方法
图片尺寸998x1000
sw-58010
图片尺寸895x824
一种用于喷气织机的新型储纬器外壳的制作方法
图片尺寸1000x844
一种应用于喷水织机的储纬器制造技术
图片尺寸1000x772