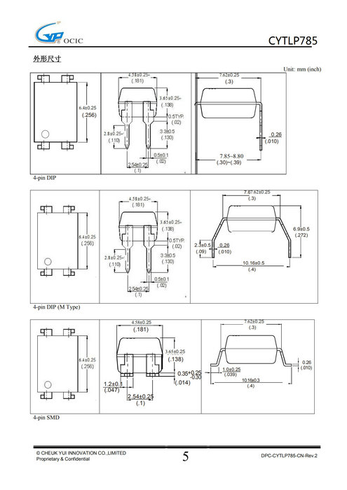
光耦p785引脚图

国产光耦cytlp785完美替代东芝tlp785
图片尺寸495x700
光耦的常用分类 - ganjon的日志 - 网易博客
图片尺寸512x445
齐全光耦 功能引脚图
图片尺寸651x519
光耦隔离在单片机通信电路中的应用
图片尺寸650x538
【高科美芯】 光藕tlp785 p785 dip4直插 晶体管输出光电耦合器
图片尺寸800x800
三端稳压器的介绍和典型应用
图片尺寸756x600
数:17696lv16 擅长:电脑/网络电子数码手机/通讯mp4/mp3工程技术科学
图片尺寸378x378
光耦工作原理功能电气参数应用电路
图片尺寸1061x692
可配单 tlp785gb p785 sop 光耦现货全新价优热卖芯片可谈
图片尺寸800x800
求教大神解答关于光耦隔离驱动p沟道2sj136带电磁阀的电路
图片尺寸1081x715
新电子技术基础三教案
图片尺寸709x1030
全新原装进口正品 p781 p785 p721 tlp721f tlp781 tlp785gbr配单
图片尺寸800x800
780579xx.jpg
图片尺寸464x272
tlp785gb tlp785 直插dip4 p785 晶体管 光电耦合器 全新原装进口
图片尺寸800x800
toshiba晶体管光耦tlp785(p785).
图片尺寸1012x841
光耦参数理解
图片尺寸1000x795
常见光耦的引脚及内部结构图
图片尺寸892x400
全新tlp181gb 光电耦合器 印字p181gb 封装sop4 贴片光耦芯片
图片尺寸1919x1919
第1讲自己动手学习单片机系列讲座-从电源开始ppt
图片尺寸1080x810
【高科美芯】 光藕tlp785 p785 dip4直插 晶体管输出光电耦合器
图片尺寸800x800