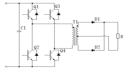
全桥升压电路

分享小白的lcc市电全桥逆变升压电路
图片尺寸801x439
上图所示全桥电路结构,基本原理为:直流电压uin经过vt1,vd1~vt4,vd4
图片尺寸420x301
升压电源电路
图片尺寸566x288
升压电路图
图片尺寸1105x499
4个nmos组成的全桥驱动电路
图片尺寸695x515
2?全桥电路拓扑
图片尺寸406x231
cn113078823a_一种基于数字化全桥boost两级升压电源在审
图片尺寸1787x1307
自制升压电路非常简单
图片尺寸823x422
升压降压电路原理
图片尺寸960x540
直流升压电路原理图
图片尺寸920x1302
求一个高效率升压电路
图片尺寸855x417
5v转12v升压电路图
图片尺寸400x370
4种常见的dc-dc升压电路
图片尺寸600x259
升压电路原理图
图片尺寸500x293
一种基于数字化全桥boost两级升压电源的制作方法
图片尺寸1000x731
简单的直流升压电路
图片尺寸706x565
升压降压电路原理
图片尺寸670x314
直流升压电路集
图片尺寸640x311
七款升压器12v升220v电路原理图详解
图片尺寸477x317
简单的升压电路原理图
图片尺寸470x307