兰舍新风接线图

125混流斜流管道风机新风系统用风机静音送风机
图片尺寸704x529
新风全热交换器液晶控制器ek说明书
图片尺寸806x569
03三,iec.365新风机接线图 iec.365配irc控制器.
图片尺寸500x477
单向流新风机接线图
图片尺寸640x480
二通阀接线图
图片尺寸500x437
兰舍新风 单向流静音风机接线图
图片尺寸390x588
泛每三江消防,风机控制柜总线和多线怎么接
图片尺寸640x897
365新风机接线图
图片尺寸640x480
空调新风系统离心风机180flw2
图片尺寸750x664
新怡风强力抽风机200p圆形8寸厨房排风扇 静音换气防水型管道风机
图片尺寸790x1149
松下新风系统 pm2.5家用全热交换器fy-e25pma/e35pma(l)
图片尺寸750x524
新风全热交换器黑河新风换气机卡式风机盘管德州春意图
图片尺寸640x726
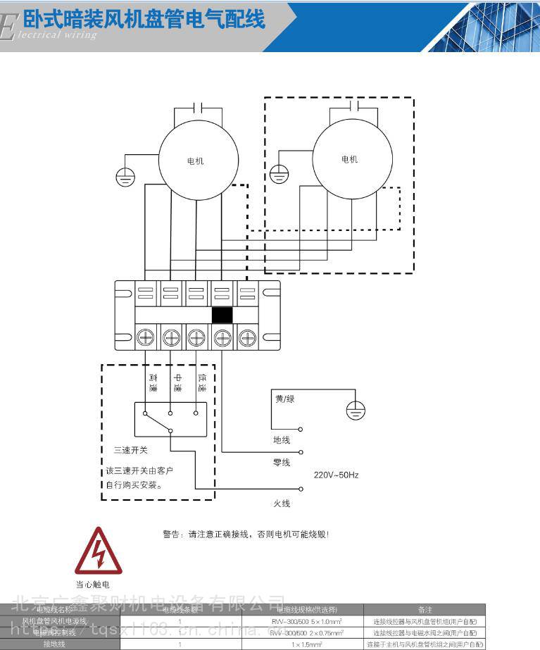
空调风机盘管接线图谁有
图片尺寸600x493
主页 产品展厅 >新风换气的好管家s300p 接线方式: 参数选型: 型号
图片尺寸622x379
风幕机系列:松下,亚都,环都,霍尼韦尔,大金,兰舍中央新风
图片尺寸767x923
新风处理机组自控箱接线图
图片尺寸480x360
新风机系统控制器开关液晶面板智能家用全热交换机yh9k
图片尺寸357x411
二十六,中央空调适配器安装接线
图片尺寸829x417
空调器与新风阀联锁控制电路图2
图片尺寸1311x927
七,接线图
图片尺寸467x387