再沸器结构

再沸器工艺结构图
图片尺寸466x555
一种co2分体再沸器结构-爱企查
图片尺寸1938x1603
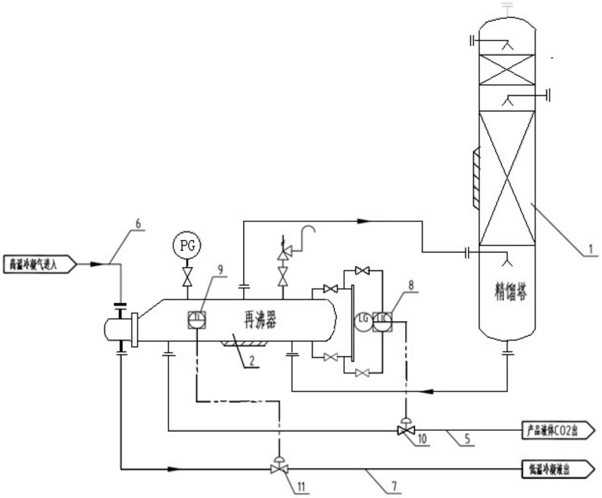
一种精馏塔再沸器-爱企查
图片尺寸863x1750
12种再沸器的优点和缺点详解
图片尺寸596x676
一种高效节能再沸器制造技术
图片尺寸887x1000
一种循环式再沸器的制作方法
图片尺寸366x443
化工过程中的再沸器
图片尺寸685x650
再沸器(也称重沸器)顾名思义是使液体再一次汽化,它的结构与冷凝器差
图片尺寸444x365
一种二氯乙烷生产处理用再沸器的制作方法
图片尺寸529x544
一种酒精生产用难结垢再沸器制造技术
图片尺寸625x1000
一种化工用高效再沸器的制作方法
图片尺寸714x1000
一种再沸器的制作方法
图片尺寸563x535
它的结构与冷凝器差不多,不过一种是用来降温,而再沸器是用来升温汽化
图片尺寸443x314
釜式再沸器.dwg
图片尺寸1200x800
一种乙酸乙酯生产用锆材再沸器的制作方法
图片尺寸391x443
再沸器(也称重沸器)顾名思义是使液体再一次汽化,它的结构与冷凝器差
图片尺寸291x443
精馏丨做设计还是做现场 都得了解再沸器的那些事儿!
图片尺寸531x414
一种在制备四氢呋喃过程中的粗分塔再沸器
图片尺寸1366x2657
它的结构与冷凝器相似,其主要结构是这样的,在再沸器内设上下管板
图片尺寸610x1000
cn201701760u_一种新型降膜再沸器失效
图片尺寸1566x2462