冷冻机系统图

诺冰制冷-工业螺杆冷冻机主要特点及系统配置介绍
图片尺寸848x796
复叠式超低温冷冻机组
图片尺寸850x530
cn108106047a_带喷射器的co2双温冷冻系统,方法及其应用有效
图片尺寸1694x2184
冷冻机的工业冷冻机组配置及冷却原理
图片尺寸776x584
30hp风冷式工业冷冻机
图片尺寸890x442
无忧文档 所有分类 工程科技 能源/化工 冷冻机原理 制冷系统由蒸发器
图片尺寸744x456
低温冷冻机组
图片尺寸890x540
冷冻机工作原理图(制冷系统基本组成部件)
图片尺寸1009x545
cn100410597c_单重双重效用吸收式冷冻机的运转方法有效
图片尺寸2185x1720
控制系统:由冷冻机组的
图片尺寸675x391
15匹blm-47wlc 箱型水冷式冷水机 塑胶冻水机 橡胶开练冷却水机本利茂
图片尺寸627x501
〈一〉,冷冻水循环系统的节电原理: 由于冷冻水的出水温度是冷冻机组"
图片尺寸417x266
cn101713598a_吸收式冷冻机有效
图片尺寸2225x1536
台湾宝驰源 工业循环水冷却机 冷水机 高品质压缩机制冷 精确控温
图片尺寸750x750
冷冻机的工作原理构造与作用
图片尺寸544x531
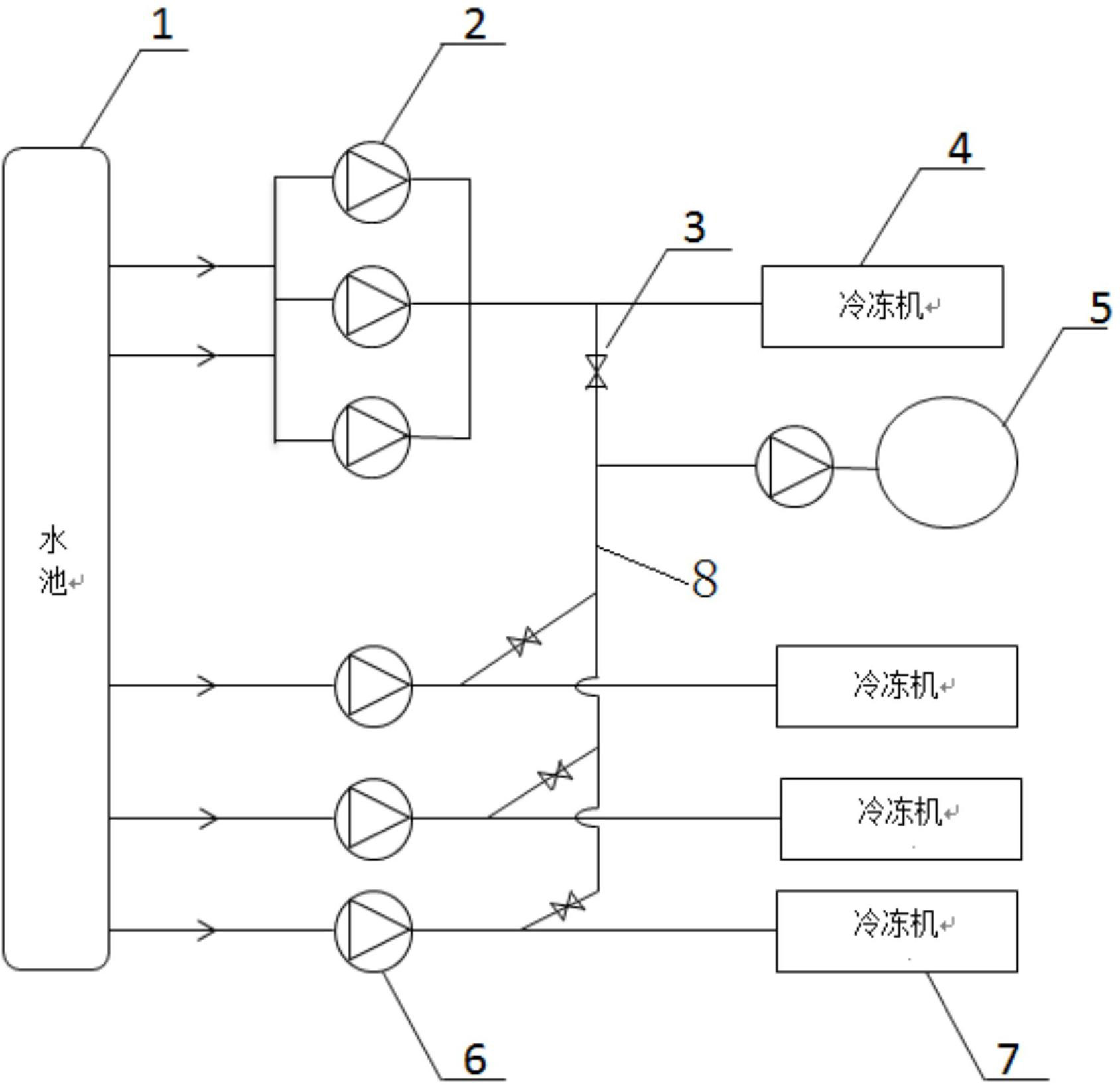
循环水能耗的冷冻系统,包括小冷却水泵组(2)及其连接的小冷冻机(4),还
图片尺寸1688x1635
电力电子设备产生的热量经由主循环泵组将冷冻水传递到冷水机组的蒸发
图片尺寸1080x621
产品展厅 化工机械设备 制冷设备 风冷冷冻机 dld-30w 对德偲超低温
图片尺寸990x744
冷冻机技术工艺发展趋势分析(立项申请)
图片尺寸741x470
风冷螺杆式低温冷冻机组
图片尺寸688x507