半减器原理图

使用半二进制减法器的全二进制减法器电路图
图片尺寸827x307
半减法器
图片尺寸839x292
半减法器
图片尺寸543x224![[verilog]半减器,全减器设计](https://i.ecywang.com/upload/1/img1.baidu.com/it/u=3528154149,1022148685&fm=253&fmt=auto&app=138&f=PNG?w=721&h=291)
[verilog]半减器,全减器设计
图片尺寸721x291
什么是全加器,全减器,半加器,半减器
图片尺寸385x200
1位半减器对应的也有:1 - 1 = 01 - 0 = 10 - 1 = (借)1 10 - 0 = 0
图片尺寸560x378
1位全减器
图片尺寸1080x810
cn110886804b_一种内置电磁阀式半主动阻尼连续可调减振器及控制方法
图片尺寸1334x2333
设计一个带控制端的半加/半减器,控制端x=0时为半加器,x=1时为半减器.
图片尺寸710x310
"优能工程师"给你介绍新能源汽车减速器结构与工作原理
图片尺寸640x331
半加器,不考虑来自低位的进位,将两个一位的二进制数 相加 输 0 0
图片尺寸1080x810
西门子减温减压装置 >> 产品详情基本原理 西门子蒸汽减温减压装置
图片尺寸529x290
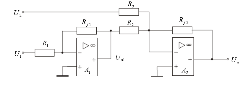
减法器电路原理图
图片尺寸470x347
半减器真值表
图片尺寸323x195
纯电动汽车两挡减速器的四种技术路线
图片尺寸696x436
电动汽车两档减速器技术路线及典型产品
图片尺寸1080x1800
30t减温装置
图片尺寸834x1165
一种应用于新能源商用车的行星减速器总成
图片尺寸1987x2569
半加器的设计
图片尺寸3000x1875
一位全减器逻辑电路图
图片尺寸500x216