半减器电路图

都藉由 b>软体(程式) /b>来解决,而非用硬体(电路)直接进行各种演算
图片尺寸839x292
减法运算电路
图片尺寸418x287![[verilog]半减器,全减器设计](https://i.ecywang.com/upload/1/img1.baidu.com/it/u=3528154149,1022148685&fm=253&fmt=auto&app=138&f=PNG?w=721&h=291)
[verilog]半减器,全减器设计
图片尺寸721x291
都藉由 b>软体(程式) /b>来解决,而非用硬体(电路)直接进行各种演算
图片尺寸543x224
减法器电路原理图
图片尺寸470x347
使用半二进制减法器的全二进制减法器电路图
图片尺寸827x307
(一) logisim的使用: 首先该软件是用于实现模拟数字电路的工具
图片尺寸952x522
半加器的设计
图片尺寸3000x1875
三款减法器的电路图解析
图片尺寸828x281
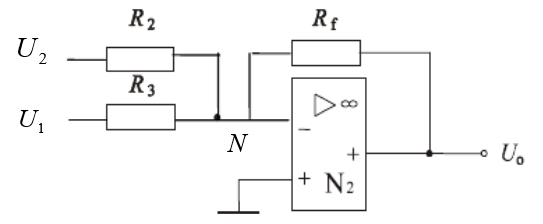
用ua741做的减法器电路1
图片尺寸658x386
半加器电路图
图片尺寸1170x810
数字电子技术基本教程_阎石_4组合逻辑电路2ppt
图片尺寸1080x810
通用减法器(741,1458)-电路图-aet-中国科技核心期刊-最丰富的电子
图片尺寸1697x511
浅谈"数字电路"的学习(7)- 一切数字计算的核心功能,被教程忽略的加法
图片尺寸560x378
什么是全加器,全减器,半加器,半减器
图片尺寸385x200
三款减法器的电路图解析-电子发烧友网
图片尺寸789x419
运算放大器应用 - codeantenna
图片尺寸465x398
其真值表,逻辑表达式,verilog描述和门电路图如下:真值表逻辑表达式
图片尺寸700x290
如何利用两个半加器及若干门电路构建一个全减器
图片尺寸4025x2225
半加器和全加器
图片尺寸2862x1963