压电泵原理图

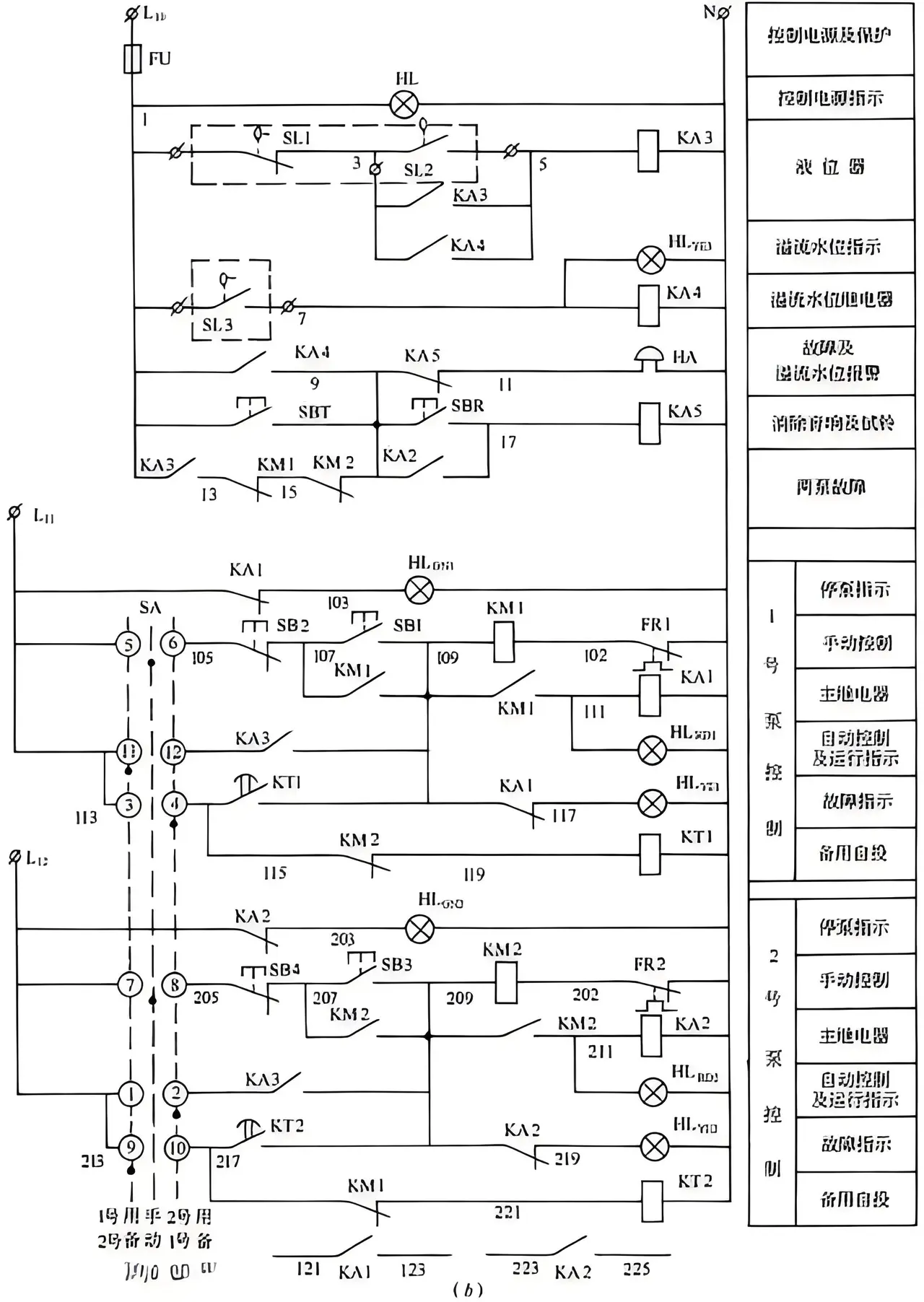
一台水泵有故障,另外一台水泵自动启动电路图
图片尺寸1280x1804
号水泵自动启动
图片尺寸1480x1275
有电压表监视,过载报警,水位直接启停的水泵电动机控制电路
图片尺寸640x508
机电控制控制 - 热门商品专区
图片尺寸2000x1832
一台水泵有故障,另外一台水泵自动启动电路图
图片尺寸1057x724
典型二次回路图增压水泵原理图
图片尺寸920x1302
20,液压泵冲压机控制电路(电路图,实物接线图,仿真图)
图片尺寸1860x998
a回路泵 b回路泵 c回路泵
图片尺寸1152x904
中型压缩机润滑油泵控制电路
图片尺寸1603x1464
aigtek功率放大器在压电叠堆泵实验中的应用
图片尺寸663x341
常用泵电动机控制电路
图片尺寸1499x877
中型压缩机润滑油泵控制电路
图片尺寸1597x1231
配置用于正电压和负电压生成的电荷泵电路
图片尺寸2606x1863
按压式(手压式)抽水泵的原理
图片尺寸1654x2339
常用的压机用油泵电动机控制电路
图片尺寸716x510
试压泵产品中心
图片尺寸440x588
柱塞泵结构图.png
图片尺寸613x398
汽动给水泵改造为双馈电机驱动给水泵的方法及启动方法
图片尺寸1770x1317![[家电] 增压泵压力开关触点故障,请指导](https://i.ecywang.com/upload/1/img0.baidu.com/it/u=2961358829,4105100674&fm=253&fmt=auto&app=138&f=JPEG?w=500&h=263)
[家电] 增压泵压力开关触点故障,请指导
图片尺寸722x380
水泵自动控制电路图
图片尺寸594x428