叉架类零件图

抄画叉架零件图标注会标注的尺寸请尽量多标注尺寸ps附件中有pdf格式
图片尺寸890x659
叉架类零件高级课件
图片尺寸800x600
项目五 叉架类零件的零件图绘制作业答案
图片尺寸673x499
踏架叉架类零件.doc
图片尺寸993x1404
跪求机械制造工艺拨叉零件课程设计资料和工艺加工卡片
图片尺寸486x377
课堂练习叉架类零件的识读
图片尺寸920x1302
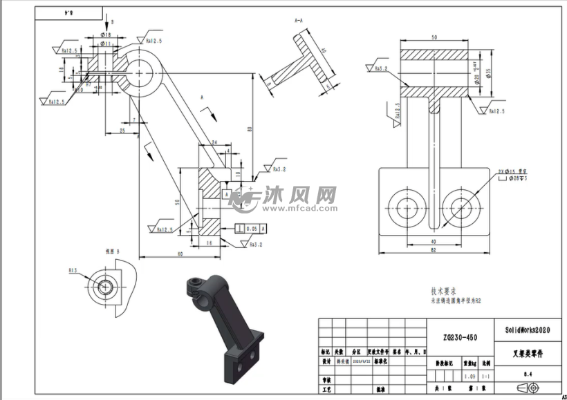
84叉架类零件出图
图片尺寸820x579
课堂练习叉架类零件的识读doc5页
图片尺寸792x1120
项目十 叉架类零件画图
图片尺寸596x929
《autocad2004机械制图零件图集》——叉架零件部分(101-150)
图片尺寸986x684
solidworks叉架类零件建模思路分享
图片尺寸619x387
项目十 叉架类零件画图
图片尺寸616x843
《autocad2004机械制图零件图集》——叉架零件部分(001-050)
图片尺寸937x665
叉形支架零件图a4pdf
图片尺寸800x1132
机械制图叉架类零件doc3页
图片尺寸792x1120
叉形支架零件图a4pdf
图片尺寸920x651
叉形支架零件图pdf
图片尺寸800x568
零件图.dwg
图片尺寸1200x800
叉形支架零件图a4pdf
图片尺寸800x1132
叉架类零件
图片尺寸502x453