反相放大器

反相运算放大器
图片尺寸656x425
2. 反相放大器
图片尺寸662x379
反相放大器结构原理和定义 -解决方案-华强电子网
图片尺寸842x251
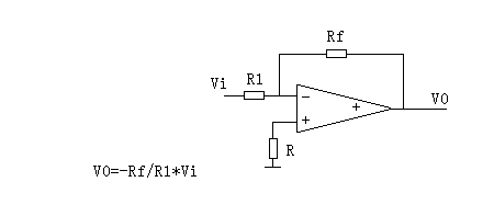
反相运算放大器电路
图片尺寸437x231
反相运算放大器电路图
图片尺寸543x279
求反相放大器内部具体电路图
图片尺寸960x540
设计单电源供电的反相放大器,输入信号为0~±50mv的200hz正弦信号
图片尺寸607x339
1.2 反相放大器
图片尺寸922x481
反相放大器应用电路(双电源供电)
图片尺寸640x403
运算放大器
图片尺寸651x461
运算放大器基础
图片尺寸962x588
用理想运算放大器组成反相输入比例运算电路的电路图怎么画?急!
图片尺寸450x197
反相放大器电路图
图片尺寸521x316
一,反相比例运算放大器
图片尺寸462x353
反相放大器 (inverting amplifier)
图片尺寸640x380
我想要做一个音频反相器,有谁可以帮我,如果成功的话一定多加分.
图片尺寸3415x2258
同相比例放大器 优缺点比较: 反相比例放大鼢
图片尺寸379x239
details about cmos 960h 2.
图片尺寸1000x1000
"图2:反相放大器电路"
图片尺寸567x200
我做了一个反相比例放大器的电路,输入信号振幅1.6v我想放大2.
图片尺寸962x615