古代轧花机原理

轧花机,轧花机百科
图片尺寸400x385
伊莱·惠特尼发明的轧花机示意图
图片尺寸600x437
什么是轧花机
图片尺寸400x282
提花机
图片尺寸392x600
图19 滑框机构示意图图20 滑框式织机的动作原理在出土的四台模型中
图片尺寸1080x823
冲刀式皮辊轧花机工作原理图
图片尺寸470x482
中国古代机械史
图片尺寸600x473
中国人的伟大发明—束综提花织机
图片尺寸600x424
轧钢机工作原理图示1
图片尺寸600x470
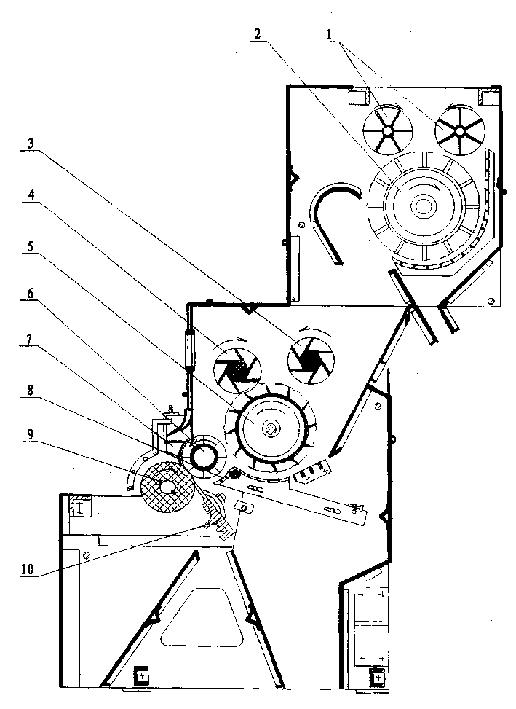
常用的是冲刀式皮辊轧花机,其结构及工作原理如图1所示.
图片尺寸529x520
轧花机
图片尺寸870x758
轧花机
图片尺寸121x124
一种高速滚刀式皮辊轧花机
图片尺寸1387x1646
my—96型锯齿轧花机的结构图如图8-14所示,工作原理如下
图片尺寸539x613
梦见轧棉机
图片尺寸600x400
一种压花机
图片尺寸1386x1331
一种锡林带轮直接带动斩刀带轮的精细弹花机制造技术
图片尺寸690x420
加工皮棉设备 棉花分籽处理设备20 25 40型锯齿轧花机
图片尺寸680x690
第二节锯齿印花一锯齿轧花机的构造和作用
图片尺寸471x577
一种皮辊轧花机-爱企查
图片尺寸516x709