可靠性框图

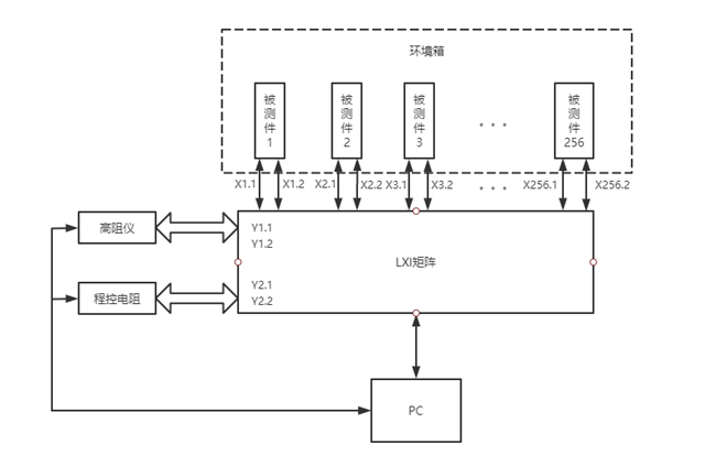
可靠性测试系统框图
图片尺寸650x423
基于性能退化的可靠性分析技术系列-质量与可靠性的关系
图片尺寸548x321
第72软件可靠性设计pptppt
图片尺寸860x645
基于模型的复杂系统安全性和可靠性分析技术发展综述
图片尺寸2500x1667
图2 并联系统的可靠性框图对于给定的工作时间t,并联系统工作寿命的
图片尺寸632x485
考虑多因素的可修系统任务可靠性分配方法
图片尺寸700x533
技术文章可靠性设计与分析关键技术
图片尺寸561x800
汽车电源可靠性设计
图片尺寸1077x808
(二) 可靠性预测
图片尺寸937x338
软件可靠性测试及其测试环境
图片尺寸500x264
过程质量与可靠性集成研究
图片尺寸802x519
cn102663227a_一种复杂表决系统的可靠性建模与解算方法有效
图片尺寸1683x1411
变频空调系统可靠性研制试验一
图片尺寸1063x715
产品质量的坚实保障——可靠性体系
图片尺寸640x329
一种数字化仪控系统动态可靠性集成分析系统的制作方法
图片尺寸1000x445
计算机网络可靠性验证系统设计
图片尺寸700x445
电子产品可靠性及老化测试简介
图片尺寸554x357
系统软件设计框图
图片尺寸1242x1259
图2. 计算混合动力系统可靠性的流程图.
图片尺寸945x1597
一种基于任务可靠性状态的制造系统预测性维修方法与流程
图片尺寸1000x875