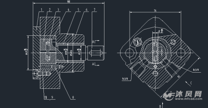
叶片泵装配图

yb1-25叶片泵全套图纸
图片尺寸2583x1774
汽车液压动力转向叶片泵
图片尺寸1929x1504
yb一d型叶片泵由哪些元件组成材质是什么
图片尺寸4160x3120
三元叶片泵装配图
图片尺寸1239x1754
三元叶片泵装配图
图片尺寸1185x918
题库4---三元叶片泵
图片尺寸1219x830
叶片泵各零件尺寸,最好有装配图
图片尺寸960x615
parker双联定量叶片泵02494064002s
图片尺寸2097x1603
三元叶片泵装配图
图片尺寸1754x2479
三元叶片泵设计
图片尺寸820x591
双作用叶片泵cad装配图零件图图纸
图片尺寸841x594
一步了解vp变量叶片泵
图片尺寸416x699
一种带补偿的宽转速范围的三作用叶片泵及其工作方法与制造工艺
图片尺寸1000x805
cn101033745a_可变容量叶片泵和控制该可变容量叶片泵的方法失效
图片尺寸2365x1816
> 产品中心 > 耐腐蚀清液泵
图片尺寸750x463
ybn1-80/80,ybn1-100/80,ybn1-100/100,定量双联叶片泵
图片尺寸667x785
定量叶片泵工作原理及其结构
图片尺寸553x323
t6edc三联叶片泵
图片尺寸985x1451
叶片泵装配图
图片尺寸422x220
一种改良的双联定量叶片泵
图片尺寸1000x676