叶片泵零件图

yb1-25叶片泵全套图纸
图片尺寸2583x1774
yb一d型叶片泵由哪些元件组成材质是什么
图片尺寸4160x3120
cn101033745a_可变容量叶片泵和控制该可变容量叶片泵的方法失效
图片尺寸2365x1816
parker,双联定量叶片泵,024-26505-003s|叶片泵|液压泵|液压|得力商城
图片尺寸2097x1603
叶片泵各零件尺寸,最好有装配图
图片尺寸960x615
cn106640634a_一种带补偿的宽转速范围的三作用叶片泵及其工作方法
图片尺寸1840x1480
题库4---三元叶片泵
图片尺寸1219x830
叶片泵
图片尺寸1866x1864
一步了解vp变量叶片泵
图片尺寸416x699
cn2045031u_双作用变量叶片泵失效
图片尺寸800x885
【机械知识】 - 叶片泵是怎么工作的?
图片尺寸596x322
汽车液压动力转向叶片泵
图片尺寸1929x1504
cn1186916a_摆转叶片泵失效
图片尺寸2432x1888
叶片泵
图片尺寸800x866
一种带补偿的宽转速范围的三作用叶片泵及其工作方法与制造工艺
图片尺寸1000x805
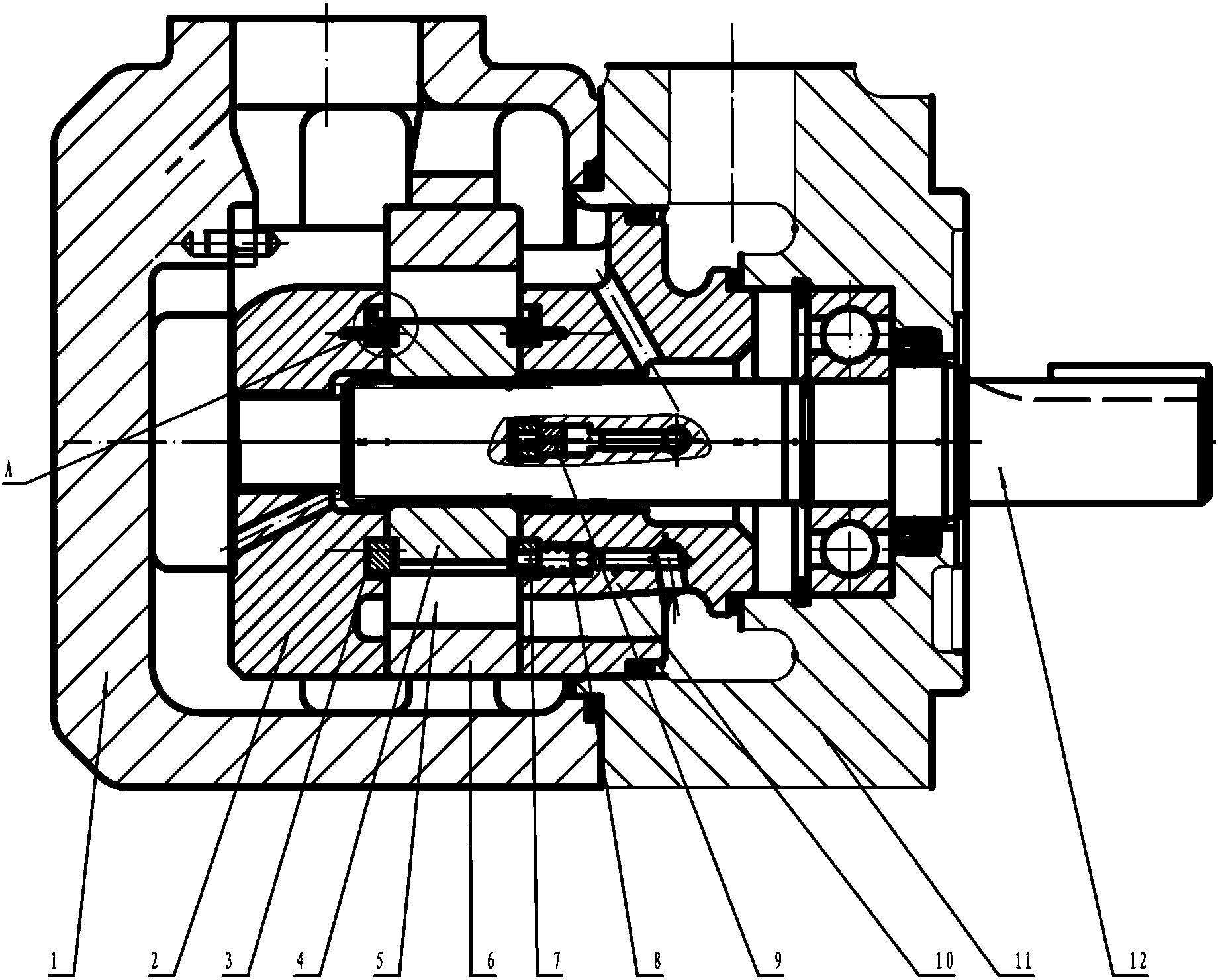
三元叶片泵装配图
图片尺寸1754x2479
一种改良的双联定量叶片泵
图片尺寸1000x676
三明yb1叶片泵_雄鹰液压件|泰兴市雄鹰液压件厂
图片尺寸600x361
三元叶片泵装配图
图片尺寸1239x1754
【机械知识】 - 叶片泵是怎么工作的?
图片尺寸780x383