吊钩二维图

autocad 基础教程:绘制吊钩
图片尺寸512x589
吊钩二维图纸rar
图片尺寸2338x1653
cad软件画吊钩你需要几分钟2分钟来看看更快捷的方法吧
图片尺寸658x438
吊钩
图片尺寸313x426
cad吊钩的图纸谁有啊?就是学习cad要画的那种.
图片尺寸442x503
机械制图之吊钩画法 今天来挑战画经典图—吊钩07 左滑有画吊钩的
图片尺寸1638x1280
一种带倒挂的吊钩cad图纸
图片尺寸772x1030
每周一练 吊钩 4.jpg
图片尺寸1055x772
不锈钢50-280mm吊顶用加长挂钩超长砂袋架空中瑜珈吊床固定盘吊钩
图片尺寸800x800
7.曲面练习——吊钩的画法
图片尺寸400x300
一种塔式起重机可视化吊钩装置的制作方法
图片尺寸869x1000
cn112811305a_一种起重机用自锁吊钩有效
图片尺寸1606x1963
吊钩a1pdf
图片尺寸800x566
5t桥式起重机大车设计
图片尺寸820x578
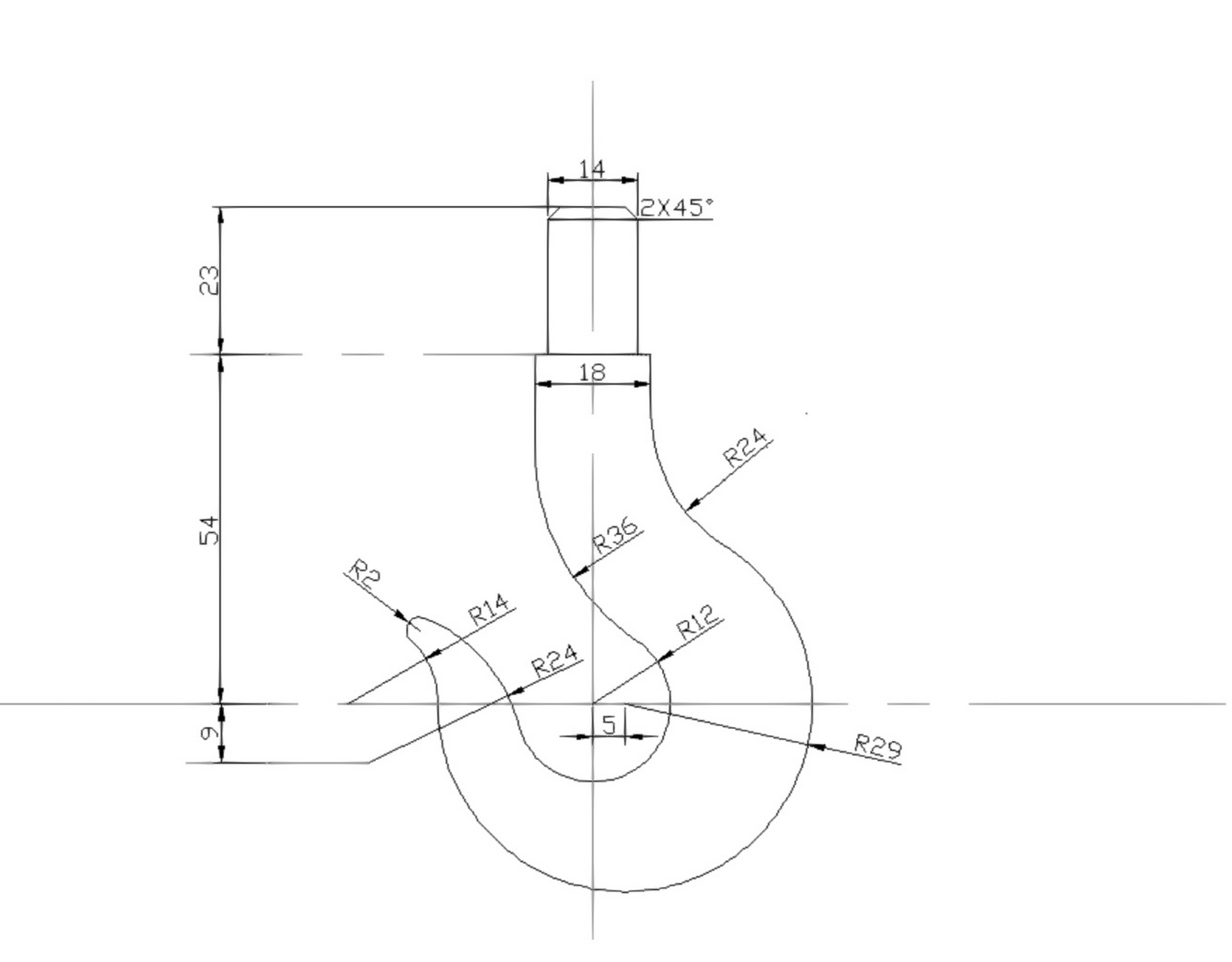
一种吊钩cad图纸接头直径23
图片尺寸1059x1067
吊钩的画法教学内容
图片尺寸893x323
cad画一个吊钩,怎么画
图片尺寸717x506
起重吊钩断裂原因分析及防范建议
图片尺寸887x677
一种用于起重设备吊钩的制作方法
图片尺寸1000x603![用a3图幅1:1抄绘如下吊钩图形并标注尺寸 [图].](https://i.ecywang.com/upload/1/img1.baidu.com/it/u=2275578471,412140908&fm=253&fmt=auto&app=138&f=JPG?w=322&h=443)
用a3图幅1:1抄绘如下吊钩图形并标注尺寸 [图].
图片尺寸322x443