图纸位置度符号

位置度符号?
图片尺寸600x644
形位公差符号 类 别 名 称 直线度 平面度 形 状 公 差 圆柱度 圆度
图片尺寸686x1066
机械图纸上的平面度的符号是什么啊
图片尺寸579x335
红叫故宫红位置度有一种与生俱来的神秘感,低调奢华有内涵,其符号优雅
图片尺寸722x612
一个孔对另外一个孔的位置度,公差值前应该标直径符号么?
图片尺寸490x884
向 位 置定 公位 差 跳 动 平行度 垂直度 倾斜度 同轴度 对称度 位置
图片尺寸1080x810
机械图纸每日一符位置度
图片尺寸726x544
大中小先给大家看重点,下面这张表是国际统一化的14项形位公差符号
图片尺寸1080x902
专业解读——平面度与面轮廓度的区别
图片尺寸614x378
公差类别 公差性质 真直度 真平度 (平面度) 真圆度 符号 公差类别
图片尺寸1080x810
vcrichedit指定光标位置机械图纸每日一符位置度
图片尺寸640x410
vcrichedit指定光标位置机械图纸每日一符位置度
图片尺寸489x542
图纸万能的答案:三坐标.位置度不带基准如何测量?如何测量?
图片尺寸643x609
2 m 也就是位置度后面有最大实体,其测量插杆怎么计算?
图片尺寸542x370
p>位置度是一个形体的轴线或中心平面允许自身位置变动的范围﹐即一
图片尺寸1033x589
位置公差8个:平行度,垂直度,倾斜度;位置度,同轴度,对称度;圆跳动,全
图片尺寸733x522
机械制图中位置度符号怎样画啊
图片尺寸731x589
如何理解位置度看看本文的解释
图片尺寸711x420
位置度基础知识(几何公差)2020
图片尺寸640x451
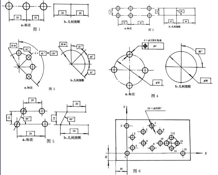
位置度,同轴度,对称度的公差带定义,标注解释及示例
图片尺寸817x511