地磅维修接线图

电子汽车衡怎么接线呢?
图片尺寸560x484
地磅4线颜色插头接法
图片尺寸600x400
求解工业生产中秤传感器的接线图?
图片尺寸4032x3024
上海耀华电子地磅汽车衡专用4/6/8/10线接线盒不锈钢模拟数字防水
图片尺寸1440x1080
梅特勒托利多称重模块接线图
图片尺寸1263x1787
称重传感器接线图四线及六线
图片尺寸640x433
模拟地磅显示器插头接线图
图片尺寸875x600
地磅安装电气联接方面
图片尺寸524x343
平衡接线图
图片尺寸661x475
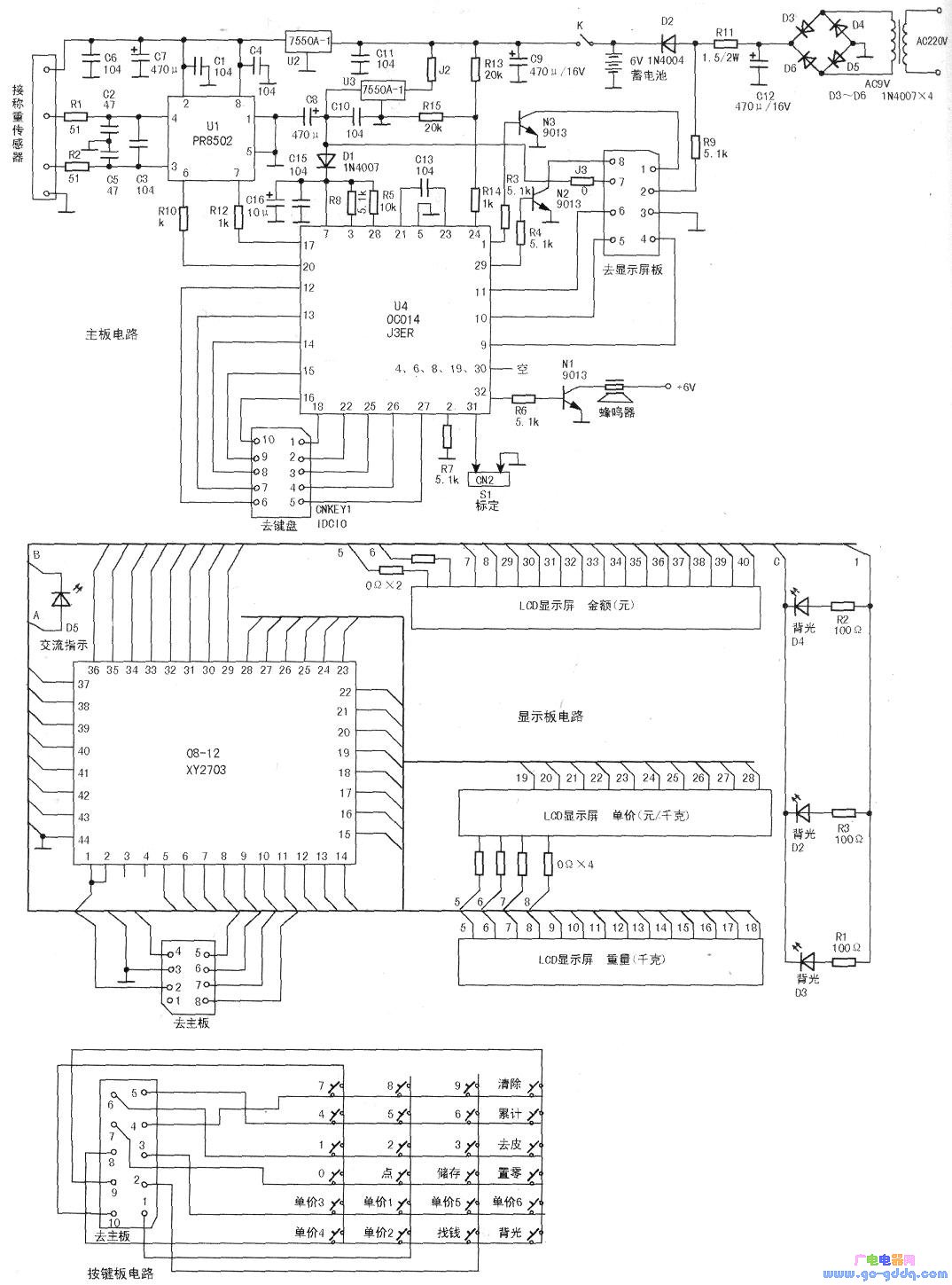
天鹰牌电子地磅秤电路原理图
图片尺寸1074x1449
20t60t数字汽车衡60吨地磅
图片尺寸699x423
防爆电子秤的接线方法
图片尺寸484x514
地磅地感线圈改红外控制尝试
图片尺寸675x404
2,在串联传感器接线盒上加装装精密可调电阻.
图片尺寸587x563
上海30吨大型地磅秤厂家直销
图片尺寸580x485
不锈钢传感器电子称重地磅进一接线盒
图片尺寸800x800
地磅接线盒/电子磅防水接线盒5孔4线/称重/配料/搅拌站传感器线00
图片尺寸400x400
固定式汽车衡厂家
图片尺寸800x414
电子秤纸_接线图分享
图片尺寸640x362
汽车衡地磅仪表配线线色定义以及接线盒接法
图片尺寸500x283