坑道结构图

日军坑道结构
图片尺寸640x440
地下勘探坑道
图片尺寸350x200
地下勘探坑道
图片尺寸400x274
坑探勘探坑道通风排水
图片尺寸593x400
【干货分享】隧道结构构造
图片尺寸640x480
一种隧底预制装配式隧道结构的制作方法
图片尺寸1000x642
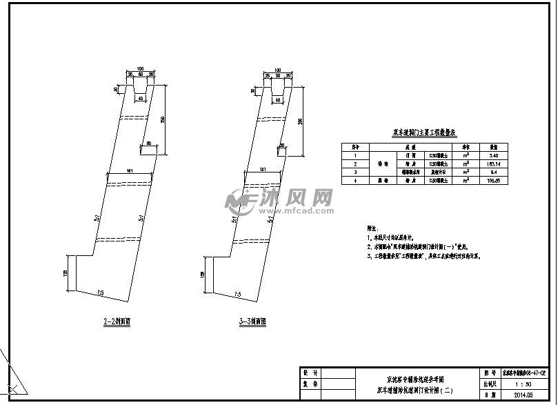
铁路双线隧道辅助坑道斜井横洞平导- 结构图纸 - 沐风网
图片尺寸761x523
坑道两帮岩体不稳定
图片尺寸723x416
(钻爆)法 隧道开挖方法:双侧壁导坑法,先左洞后右洞开挖法 辅助坑道
图片尺寸800x600
坑道两帮岩体稳定
图片尺寸726x499
一种高原铁路隧道辅助坑道装配式风渠式通风结构的制作方法
图片尺寸443x414
放射状坑道示意图
图片尺寸640x416
铁路隧道单车道,双车道辅助坑道 - 结构图纸 - 沐风网
图片尺寸812x587
块构件,这些构件在现场或工厂预制,然后运到坑道内用机械将它们拼装
图片尺寸355x326
坑道与火炮的较量——开启中国军队正规化建设道路
图片尺寸400x250
郭陕云:我国隧道和地下工程技术发展与展望
图片尺寸300x285
韩国sbs电视台报道截图.朝鲜坑道结构图.韩国《朝鲜日报》制图.
图片尺寸550x302
矿山坑道原始地质编录这样做才规范
图片尺寸640x354
节后检查不放松台江区人防办开展早期人防坑道检查工作
图片尺寸800x599
越南人的野外进攻型地道结构示意图早期的坑道鼠们主要是美军第一步兵
图片尺寸650x784