安全栅原理

安全栅原理及使用介绍ppt
图片尺寸800x600
原理如图所示:隔离式安全栅4,由于齐纳式安全栅的电路原理需要吸收
图片尺寸1035x471
bm系列模拟信号隔离器隔离式安全栅
图片尺寸3840x2160
德国易福门ifm安全光栅的工作原理
图片尺寸522x301
安全栅隔离方式
图片尺寸439x296
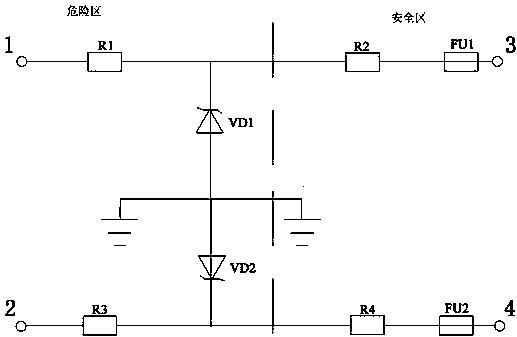
隔离式安全栅原理图.png
图片尺寸500x284
hart检测端隔离安全栅接线图
图片尺寸649x405
辰竹仪表架起本安回路的重要桥梁隔离式安全栅
图片尺寸720x496
齐纳式安全栅原理图
图片尺寸1080x544
齐纳式安全栅原理示意图.png
图片尺寸501x271
本质安全型安全栅原理
图片尺寸631x262
一种带载能力强的ib电源安全栅电路的制作方法
图片尺寸1000x405
常见的安全栅结构形式分为齐纳式和隔离式
图片尺寸624x261
浅谈安全栅的原理与使用
图片尺寸501x214
p系列安全光栅
图片尺寸1621x880
一种齐纳式安全栅
图片尺寸517x337
wp6125-ex 开关量输出隔离式安全栅 (香港上润)
图片尺寸320x270
齐纳安全栅 - 电子发烧友网
图片尺寸720x560
齐纳式安全栅的工作原理
图片尺寸640x526
安全栅隔离方式
图片尺寸558x247