容许建筑高度

不同耐火建筑允许的建筑高度及层数5.3.
图片尺寸560x452
15除本规范另有规定外,不同耐火等级建筑的允许建筑高度或层数,防火
图片尺寸742x398
1 不同耐火等级建筑的允许建筑高度或层数,防火分区最大允许建筑面积
图片尺寸550x441
万丈高楼平地起,辛勤栽培谢恩师!
图片尺寸1096x2200
不同耐火等级建筑的允许建筑高度或层数,防火分区最大允许建筑面积
图片尺寸472x259
11木结构建筑
图片尺寸1926x533
不明白桥梁的建筑高度与容许建筑高度的关系,哪位大侠有图示否?
图片尺寸600x160
10 第十章 附则
图片尺寸575x763
0.3-1 木结构建筑或木结构组合建筑的允许层数和允许建筑高度
图片尺寸1227x435
2018一级消防工程师备考锦囊:分分钟掌握一消建筑高度计算方法
图片尺寸361x289
断面图和地形图比例尺(1:200~1:1000)①主要建筑物的开挖竣工地形图或
图片尺寸656x463
1 不同耐火等级建筑的允许建筑高度或层数,防火分区最大允许建筑面积
图片尺寸550x441
美丽的家乡
图片尺寸690x920
这就是现在的雄安!
图片尺寸1080x1322
河北省容城县容和塔
图片尺寸1649x1100
清明后的容城环城路
图片尺寸1600x1200
想吃"端村方火烧"
图片尺寸2667x2000
shenyang forum 66
图片尺寸894x1192
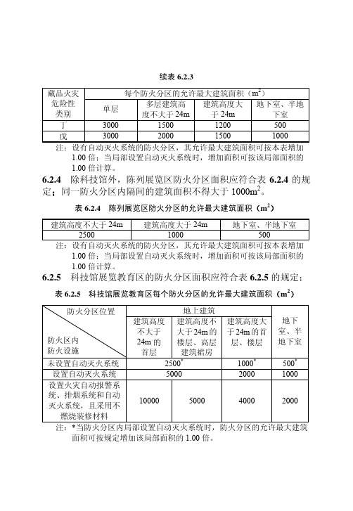
3 藏品火灾 每个防火分区的允许最大建筑面积(m2) 危险性 类别 单层
图片尺寸502x727
2016年一建公路工程考点:桥梁的组成与类型
图片尺寸553x566