导柱导套装配图

a4导向套pdf
图片尺寸800x1132
导柱导套的结构
图片尺寸920x1302
导柱导套的结构
图片尺寸544x737
导柱导套
图片尺寸556x609
冲模典型零部件 导柱,导套和导板.pdf
图片尺寸800x1227
没有图纸定制非标导柱导套的报价能马上出来吗
图片尺寸600x425
模具 导套
图片尺寸679x737
模具导柱图模具导套图模具定模板模具定位环模具动模板模具滑块浇口
图片尺寸654x830
导柱导套的结构_第2页
图片尺寸920x1301
导柱图定模板定模座板定位环动模板滑块图浇口套楔紧块图纸参数图纸id
图片尺寸649x911
银杉厂家供应模内导柱导套fgp冲压模导柱导套滚珠导柱导套
图片尺寸1024x400
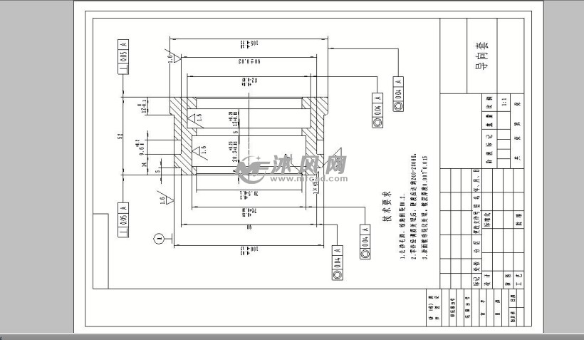
导向套
图片尺寸820x477
导向套
图片尺寸820x582
所有分类 工程科技 机械/仪表 导柱选取规范 零图明细件 1:序套 导a
图片尺寸760x1097
厂家供应模内滚珠导柱导套(dgp)(图)
图片尺寸607x393
滚动导向导套
图片尺寸950x470
hsg焊接式连接液压缸结构设计【7张cad图纸】_装配图网
图片尺寸1200x800
a型导套
图片尺寸950x627
厂家供应模内导柱,导套(图)
图片尺寸732x736
论建筑,室内设计创新与材料科学发展的关系
图片尺寸1700x1068