平方律检波器

57_产品信息_北京中频,北京超短波,北京低频_北京壹佰业
图片尺寸1200x900
产品展示/product
图片尺寸945x709
地震检波器的介绍
图片尺寸253x310
示波器_深圳市宏美瑞科技有限公司
图片尺寸1181x1181
show pictures
图片尺寸400x600
>> 供应产品
图片尺寸1024x768
ae analytical balance
图片尺寸1315x1417
平方律检波器
图片尺寸406x302
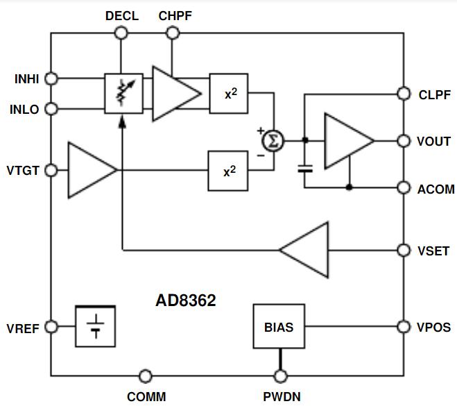
小信号平方律检波器电路原理介绍
图片尺寸488x325
仪器维修
图片尺寸800x800
安捷伦dso6104a自校准失败维修,主修安捷伦dso6000系列示波器.
图片尺寸3257x1813
简- 商品列表详情 - 景丰电子有限公司
图片尺寸1200x1000
平方律检波器
图片尺寸315x209
liyi torque equipment rubber mooney viscometer price
图片尺寸700x700
平方律检波
图片尺寸580x551
p>检波器,是检出波动信号中某种有用信息的装置.
图片尺寸900x800
平方律检波
图片尺寸659x585
rigol/普源 ds1000z系列示波器 ds1074z plus 1台 销售单位:台
图片尺寸600x600
平方律检波器
图片尺寸369x240
0000000000 000000000131008032 4 800x800
图片尺寸800x800