平面滑动密封

及辅助密封的配合下,保持贴合并相对滑动而构成防止流体泄漏的装置,常
图片尺寸556x361
静密封又可分成平面静密封,径向静密封及角静密封,他们的泄露空隙分别
图片尺寸640x308
墙体屋面材料生产设备常用液压密封件及应用时应注意的问题二
图片尺寸429x183
机械密封
图片尺寸1080x810
一种滑动轴承密封结构-爱企查
图片尺寸1378x1255
机械密封
图片尺寸1080x810
>> 平面密封组件1
图片尺寸800x396
2019222025447
图片尺寸444x413
cn104838186a_滑动密封件以及密封结构在审
图片尺寸1000x707
帮忙看个密封的结构
图片尺寸480x502
固体接触式真空动密封的结构及特点
图片尺寸375x289
非平衡水压自调整轴向式分瓣机械型平面密封结构形式如图2所示
图片尺寸945x591
作用及辅助密封的配合下保持贴合并相对滑动而构成防止流体泄漏的装置
图片尺寸640x536
图2 填料在内滑动轴承在外型密封结构图1 滑动轴承在内填料在外型密封
图片尺寸353x333
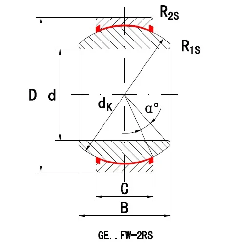
ge35fw 2rs 重型免维护密封径向球面滑动轴承
图片尺寸500x500
(1)板式液压阀,虑油器,冲洗板凳与阀块之间的平面密封
图片尺寸820x372
河北密封|睿辰密封|防尘密封
图片尺寸629x332
机械密封
图片尺寸1080x810
1:机械密封的主密封,动环与静环的端面贴合作相对滑动的动密封,决定
图片尺寸640x400
所述上密封滑道和下密封滑道分别安装在台车和风箱滑动支撑梁所对应的
图片尺寸1470x1151