开尔文连接

开尔文连接
图片尺寸941x597
开尔文四线检测kelvinfourterminalsensing
图片尺寸450x369
开尔文接法
图片尺寸354x175
开尔文接法
图片尺寸357x320
卡农莲花音频母转花头卡侬双莲视频线
图片尺寸1100x1100
开尔文四线检测kelvin4wireresistancemeasurement
图片尺寸800x411
dj设备之rane声卡连接技巧
图片尺寸603x624
开尔文电桥是测量传感器电阻的最优解之一
图片尺寸807x497
双通道落地式箱头-nano legacy floor
图片尺寸2787x2044
良心价,诚意作——灿烁新款卡车/拖头/攀爬车声组c
图片尺寸1000x600
fakra连接器是什么?由什么组成的?_工业机器人-机器人在线
图片尺寸700x448
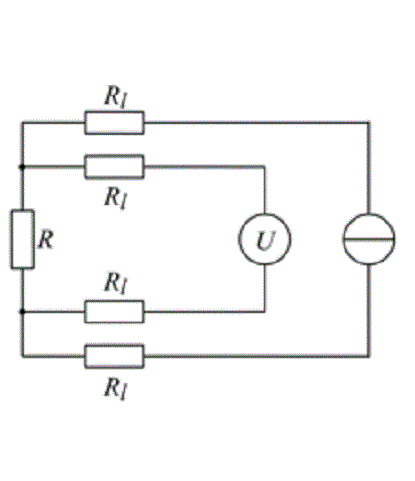
开尔文测试
图片尺寸415x481
开尔文四线检测kelvinfourterminalsensing
图片尺寸418x235
tps25740,tps25740a usb type-c 和 usb pd 源控制器 (rev. b)
图片尺寸462x411
减轻铜焊盘的影响,设计人员通常会使用一种称为开尔文连接的布局方法
图片尺寸650x442
开尔文双电桥测电阻
图片尺寸564x365
多个urm08-uart连接测量示例
图片尺寸1066x747
开尔文波的物理描述
图片尺寸391x370
连接示意图
图片尺寸988x1192
开尔文(图片来源:wiki)
图片尺寸550x550