循环电路图

自动循环往复控制线路图
图片尺寸920x651
自动往返循环运动控制线路
图片尺寸2000x1667
自动循环控制电路图
图片尺寸535x383
教你如何识读限位控制和循环控制电路
图片尺寸555x492
多台三相异步电机的循环运行控制电路图
图片尺寸808x600
循环led彩灯电路
图片尺寸1014x436
按时间控制的自动循环电路知识
图片尺寸345x255
自动循环控制电路图
图片尺寸679x620
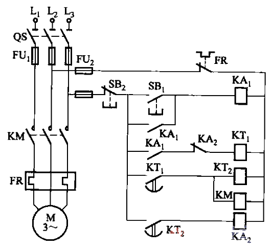
图2-9 自动循环控制线路
图片尺寸640x394
自动气体循环炉控温电路
图片尺寸1242x1366
两台排污泵循环启动电路图
图片尺寸600x488
热水循环泵一用一备自动轮换控制电路图的几个问题
图片尺寸1013x683
麻烦老师给一个控制两个气缸循环动作的电路图,谢谢
图片尺寸608x608
这是一款简单的3只led循环灯电路,可以模拟流动彩灯,闪烁起来更具有
图片尺寸1456x829
自动循环往复控制线路.jpg
图片尺寸670x421
时间继电器循环电路图
图片尺寸1004x447
变循环控制电路
图片尺寸978x1000
间歇式循环 strong>控制 /strong>启停 strong>电路 /strong>之一.gif
图片尺寸532x489
2个dh14s时间继电器和2个220伏组成的自动循环电路
图片尺寸618x355
间歇式循环控制启停电路之三
图片尺寸538x564