循迹小车原理

智能循迹小车电路原理图
图片尺寸920x1302
397 stm32蓝牙遥控避障循迹小车-原理图讲解视频
图片尺寸1437x1078
1085基于51单片机循迹小车proteus仿真
图片尺寸1728x1080
智能循迹小车电路原理图
图片尺寸1188x918
谁有循迹小车原理图
图片尺寸1287x715
循迹小车电路图
图片尺寸3565x2355
循迹小车电路图
图片尺寸3565x2355
d2-5智能循迹小车套件 巡线小车实验散件 机电组装 电子装配diy
图片尺寸564x309
基于单片机智能循迹小车电路图含电路毕设课设资料
图片尺寸975x793
51单片机循迹小车原理图
图片尺寸568x384
基于单片机控制的智能循迹小车系统
图片尺寸1637x922
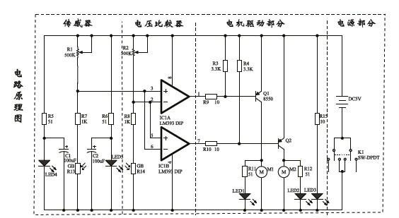
kc智能循迹小车电路图 原理图
图片尺寸883x500
太阳能温差发电智能循迹避障小车的研究
图片尺寸1433x2302
循迹小车报告
图片尺寸920x1302
基于 rt-thread的麦克纳姆轮小车循迹运动控制算法开发和研究
图片尺寸607x819
基于51单片机四路循迹小车
图片尺寸923x537
基于51单片机的循迹小车避障转弯加气体传感器
图片尺寸1648x1030
循迹小车光敏循迹电路原理图
图片尺寸1212x576
【arduino仿真】避障循迹智能小车proteus仿真
图片尺寸1600x1000
课程设计(循迹小车)说明书
图片尺寸1028x654