打字机结构

为造出好用的中文打字机林语堂把自己搞破产了
图片尺寸328x427
中文打字机
图片尺寸571x770
活字打字机的结构和电机配置图
图片尺寸550x469
本实用新型公开了一种简易家用打字机.它结构简单.小巧,轻便.
图片尺寸1664x590
一种型钢数控打字机
图片尺寸800x1036
实达bp-750k打印机使用说明书
图片尺寸800x537
打字机
图片尺寸500x338
针式打印机:整机结构及工作原理
图片尺寸1244x646
sato gl412e条码打印机操作手册-敏用数码(上海北京深圳)|专注于条码
图片尺寸662x559
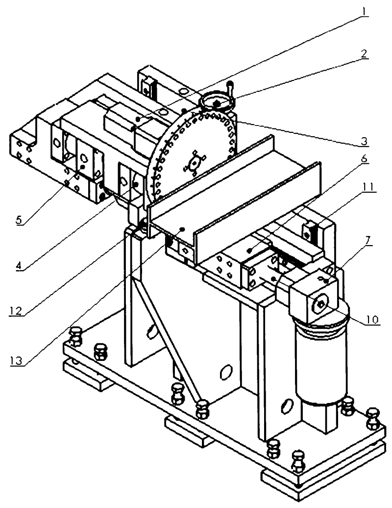
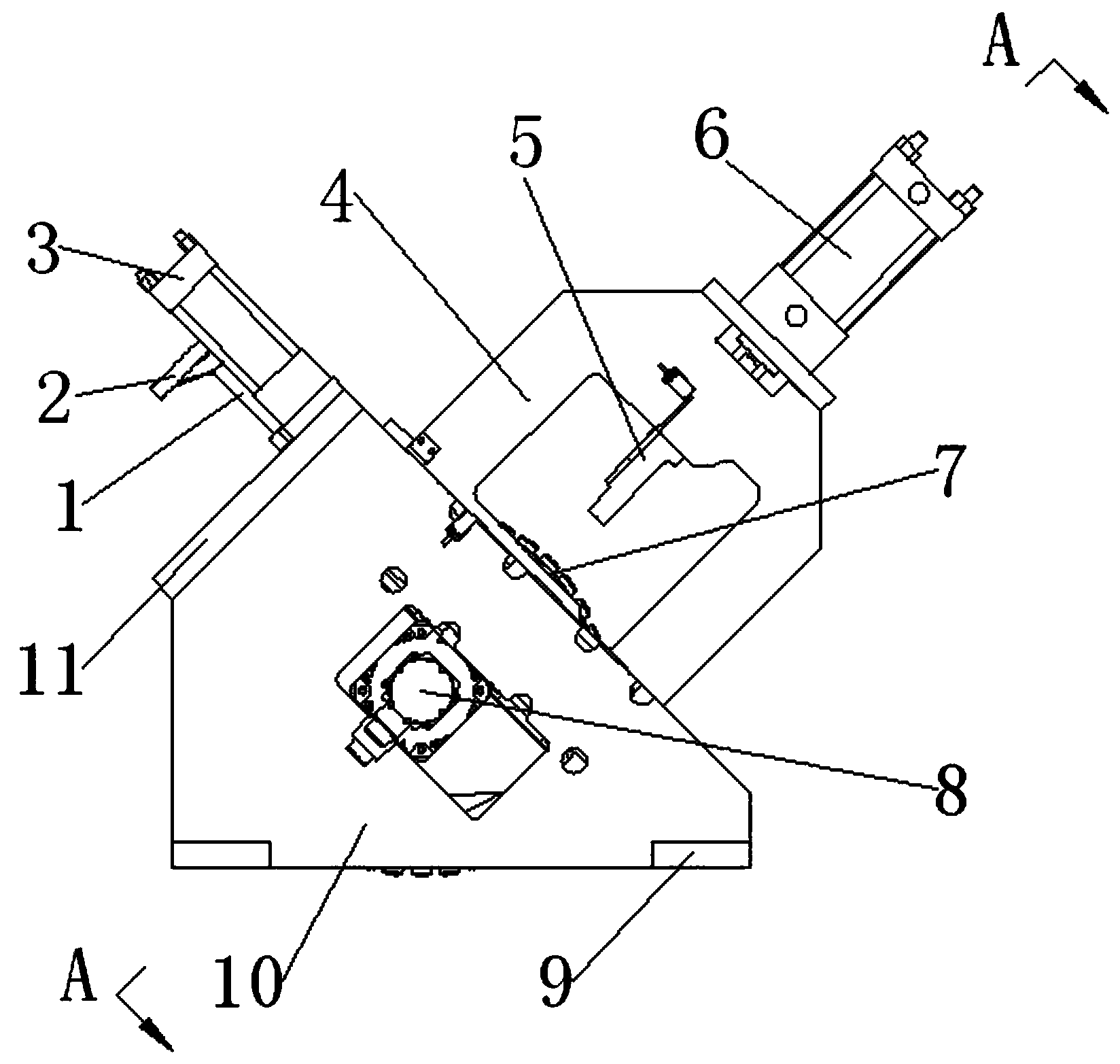
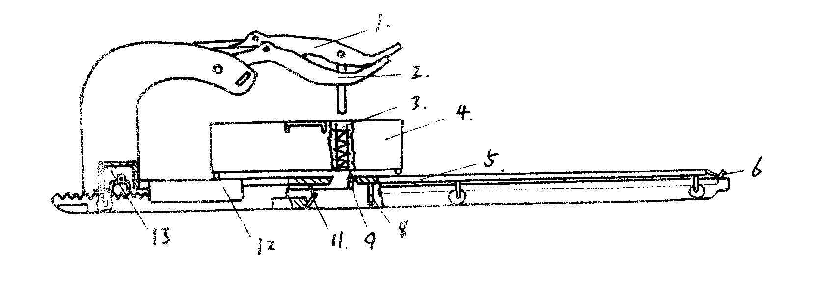
机架为由底板,两立板,盖板组成的框架结构,打字装置包括转盘机构,打字
图片尺寸1648x1565
第章针式打印机的组成结构及工作原理 ppt
图片尺寸860x645
tscttp344mplus300dpi经济工业级条码打印机标签打印机
图片尺寸750x995
针式打印机字车机构图文教程
图片尺寸1246x610
针式打印机印字机构原理详细图解技术文档
图片尺寸1158x676
现代办公自动化案例教程-电子教案 针式打印机的组成结构,工作原理 1.
图片尺寸1080x810
sato lm412e条码打印机操作手册
图片尺寸893x489
zebra斑马 zt420 工业条码打印机
图片尺寸761x538
盲文打字机
图片尺寸1416x1045
乐高打字机
图片尺寸1080x1080
一种新型打字机的制作方法
图片尺寸512x359