拉绳开关接线图

拉绳开关安装及接线图
图片尺寸547x423
拉绳开关设备安装与接线:1,拉绳开关成对安装在胶带机左右两侧,安装
图片尺寸400x650
拉线开关dpp-k31-l6x摇臂不锈钢-耐高温拉绳开关-麻城施迈赛工业自动
图片尺寸800x292
双向拉绳开关sred-qs-w01
图片尺寸1600x676
怎么接老式的灯泡拉绳?
图片尺寸450x358
拉线开关的接法有谁能说说
图片尺寸527x352
双控拉线开关,比普通拉线开关多出一个小铜柱,即共三个接线端子
图片尺寸751x513
bx5800b双向拉绳开关质保一年
图片尺寸593x708
一根主线接2个老式拉线开关分别控制2台电器,电器是挨着的开关可以
图片尺寸2232x1640
拉绳开关安装与接线图 
图片尺寸627x536
双向拉绳开关接线图
图片尺寸500x190
拉线式双控开关接线图
图片尺寸496x288
双向拉绳开关 flls-ii flls-2 拉线开关 紧急停机开关,质保2年
图片尺寸1582x601
双向平衡拉绳开关
图片尺寸600x400
老式拉线开关加厚铜柱家用灯泡单控手拉盒接线古达墙壁拉绳开关6a250v
图片尺寸800x800
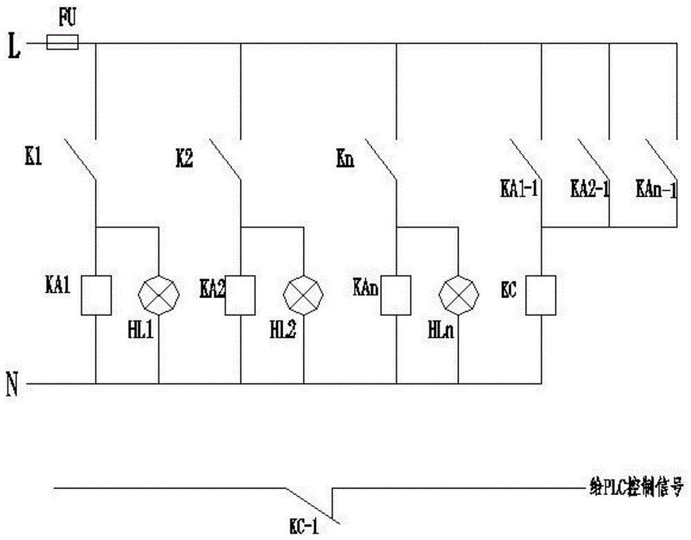
cn110525914a_一种拉绳开关报警装置在审
图片尺寸1000x782
防爆拉绳开关 二开二闭行程开关qz-ebbc-880
图片尺寸1500x1172
5接线:双向拉绳开关自带引出电缆为三芯电缆,红白为常开点,红黄为常闭
图片尺寸3618x1573
拉链开关 两线on-off 壁灯吊扇灯床头灯用 3a250v csa ul cqc认证
图片尺寸800x800
cn87204706u_可代替启动器的拉线开关失效
图片尺寸1568x1494