拼接屏接线图解

液晶拼接屏接线图.jpg
图片尺寸599x409
46寸led拼接屏 大尺寸 无缝拼接 可独立显示 液晶高清
图片尺寸1500x1000
55寸拼接屏_拼接大屏厂家相关-上海邦卓电子设备有限公司
图片尺寸3409x2332
无锡拼接屏无锡液晶拼接屏安装须知
图片尺寸1054x578
液晶拼接屏安装示意图
图片尺寸1080x810
供应一键拼接盒 电视机拼接器 可拼接4台液晶电视 1进4出hdmi连接
图片尺寸635x483
特价正品lg42寸液晶拼接屏 42寸拼接屏 液晶监视器 超窄5mm全套
图片尺寸750x572
巨略55寸did液晶拼接屏|昆明拼接屏租赁|曲靖拼接屏租赁
图片尺寸692x287
液晶拼接屏软件调试方法及步骤
图片尺寸500x464
拼接屏数字矩阵示意图
图片尺寸1330x717
简单又便宜的门头led条屏
图片尺寸552x329
搜了网为您找到9055条55寸的相关产品参数信息
图片尺寸450x402
大屏拼接控制系统连接cad示意图施工图下载
图片尺寸1527x818
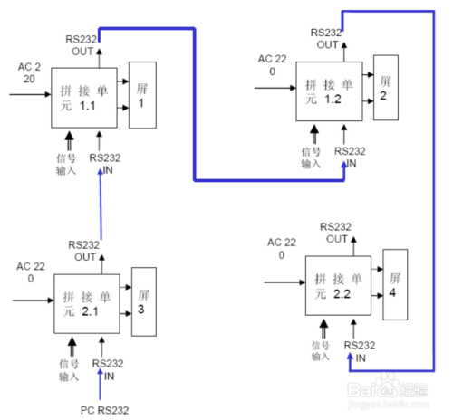
拼接屏控制线连接拓普图
图片尺寸478x285
4,系统原理图: 第8页 (共19页,当前第8页) 你可能喜欢 液晶拼接屏
图片尺寸960x720
5p3p4p5p6高清led显示屏广告屏电子屏大屏幕
图片尺寸750x591
液晶拼接屏接线
图片尺寸930x930
解析液晶拼接屏的布线方法
图片尺寸873x487
大屏幕显示系统中矩阵和液晶拼接屏连接方法
图片尺寸542x378
46寸6.7mmjs-46pc1液晶拼接屏
图片尺寸800x457