排桩支护结构

排桩支护结构
图片尺寸634x479
排桩支护设计及计算!
图片尺寸874x650
钢板桩支护剖面示意图
图片尺寸509x560
排桩支护剖面图.png 举报/反馈
图片尺寸561x729
双排桩支护
图片尺寸909x686
大直径悬臂排桩在深基坑支护设计中的应用
图片尺寸600x426
图21 混凝土支撑 排桩支护现场图
图片尺寸600x450
3-2深基坑排桩支护结构.ppt
图片尺寸1080x810
排桩支护结构深基坑
图片尺寸600x450
支护结构体系:常用钢筋混凝土排桩墙,地下连续墙c,拉锚式排桩支护结构
图片尺寸690x453
图5 双排桩支护剖面示意图图6 格形地下连续墙支护平面3,板式支护体系
图片尺寸341x309
深基坑排桩支护施工图及计算书
图片尺寸1200x900
结构设计初学二之常见基坑支护
图片尺寸554x307
3)排桩支护结构
图片尺寸893x646
钢板桩支护结构
图片尺寸3073x1825
双排钢板桩支护怎么建模计算
图片尺寸550x429
单排与双排桩支护结构.jpg
图片尺寸643x427
钢砼排桩支护
图片尺寸444x413![[分享]排桩支护设计详解](https://i.ecywang.com/upload/1/img2.baidu.com/it/u=1700591582,3035844012&fm=253&fmt=auto&app=138&f=JPEG?w=666&h=500)
[分享]排桩支护设计详解
图片尺寸871x654
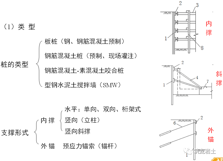
桩排桩墙,smw工法,钢筋混凝土咬合桩等型式;b,内撑式排桩支护结构:a
图片尺寸822x374