排针电路图

关于排针的基础电路分析
图片尺寸744x992
尝试性地划断了ch340与排针之间的走线,结果发现所有功能都正常了!
图片尺寸707x714
排针触发故障电路
图片尺寸946x461
54*2p排针来拓展电源部分,方便后续项目的使用.3.
图片尺寸1170x825
08mm间距排针图纸
图片尺寸2745x3860
10间距双排180度排针图纸
图片尺寸1530x2772
潍柴博世 锡柴博世edc17cv44/54scr原理图
图片尺寸3120x3640
ph254间距排针smt贴片90度排针图纸
图片尺寸2588x3649
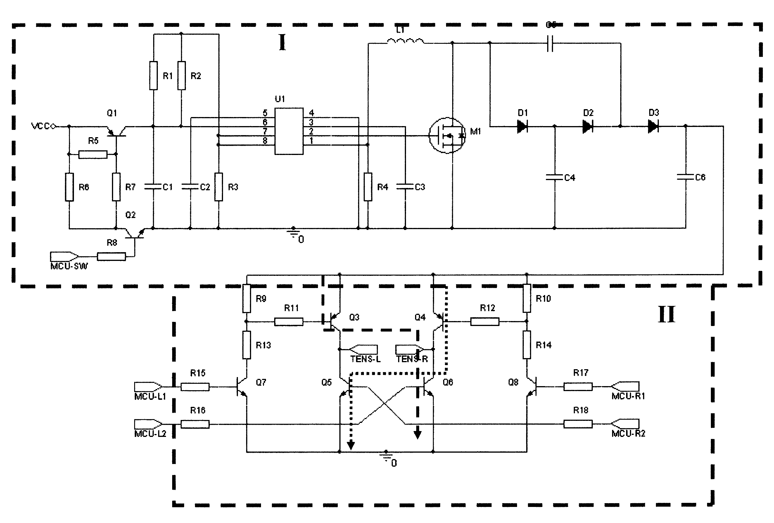
电针控制电路
图片尺寸2648x1792
九号m系列电路针脚图,需要的老板九友们参考,#九号电动 #九 - 抖音
图片尺寸1170x2076
电脑接开机排针的跳线的方法
图片尺寸500x522
96排针规格书图纸
图片尺寸1518x2147
请问这个电路图的原理,以及里面排阻a102j的做用?谢谢.
图片尺寸988x630
电脑接开机排针的跳线的方法
图片尺寸363x485
pcb板连接器u型排针
图片尺寸1654x2339
无忧文档 所有分类 工程科技 电子/电路 排针图纸第1页 你可能喜欢 的
图片尺寸893x1263
5间距排针规格图纸
图片尺寸1518x2148
电路图中右边那四个接电源vcc的有很多脚的那个元器件,是排针还是
图片尺寸926x573
54mm双排90度排针规格书
图片尺寸1518x2147
核心板排针引脚图
图片尺寸824x870