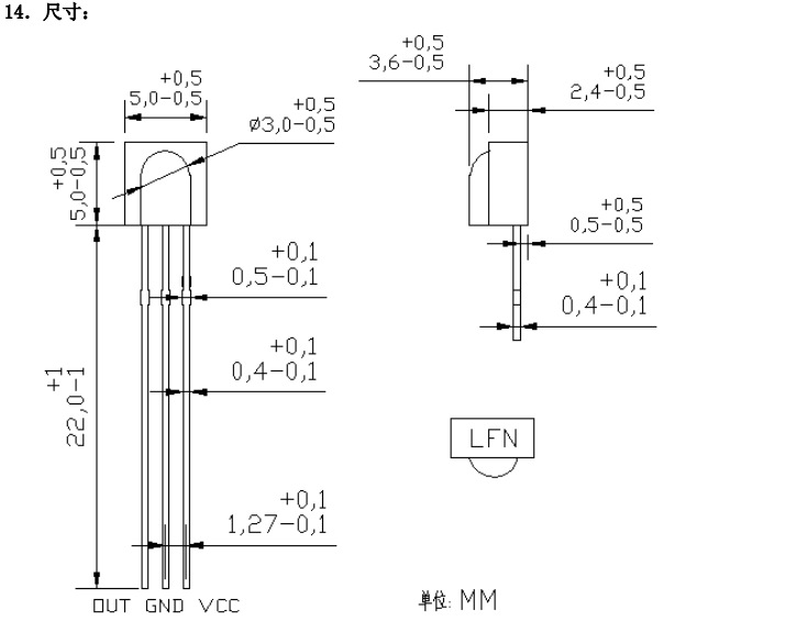
接收头引脚图

红外线遥控接收头型号及参数
图片尺寸648x696
红外线接收头1838引脚图?
图片尺寸600x369
现货低功耗铁壳vs1838b红外线接收头 1838鼻梁型38khz红外接收头
图片尺寸750x500
红外线接收头1838引脚图.jpg
图片尺寸521x244
红外线接收头1838引脚图?
图片尺寸579x352
irm138系列红外线接收头
图片尺寸1250x769
红外接收头内部引脚图.jpg
图片尺寸450x277
一体红外线接收头的引脚图及检测
图片尺寸477x326
全新hs0038bd 一体化红外线接收头 遥控38khz 用于红外信号检测
图片尺寸750x1061
>红外接收头引脚图
图片尺寸521x244
用一体化红外接收头制作的遥控接收电路
图片尺寸656x762
红外线接收头的介绍
图片尺寸603x236
红外接收头三个引脚如何辨别使用
图片尺寸849x432
红外遥控接收头 的引脚参数
图片尺寸500x412
厂家生产红外线接收头 0038a-45接收头 遥控接收头 小型接收头
图片尺寸1132x1920
红外遥控接收头 的引脚参数
图片尺寸500x493
红外线接收头 鼻梁接收头红外线遥控接收头管1窄脚弯脚贴片接收头
图片尺寸734x565
亿光微型插件接收头irm6638t
图片尺寸553x563
红外遥控接收头 的引脚参数
图片尺寸472x543
红外接收头引脚图及结构
图片尺寸521x244