搅拌站设计图

75混凝土搅拌站 生产厂家现货供应 配套全自动系统混凝土搅拌站
图片尺寸1920x1342
房地产事业的低迷,会对混凝土搅拌站产生多大的影响?
图片尺寸1598x1199
搅拌站平面布置图3
图片尺寸920x1302
搅拌站 混凝土搅拌站 搅拌站厂家
图片尺寸763x653
混凝土搅拌站配料demo
图片尺寸1440x1020
山东商砼搅拌站厂家hzs75混凝土搅拌站
图片尺寸1376x969![[北京]高速铁路站前及三电迁改工程施工方案](https://i.ecywang.com/upload/1/img0.baidu.com/it/u=2244078698,3423305006&fm=253&fmt=auto&app=138&f=PNG?w=626&h=385)
[北京]高速铁路站前及三电迁改工程施工方案
图片尺寸626x385
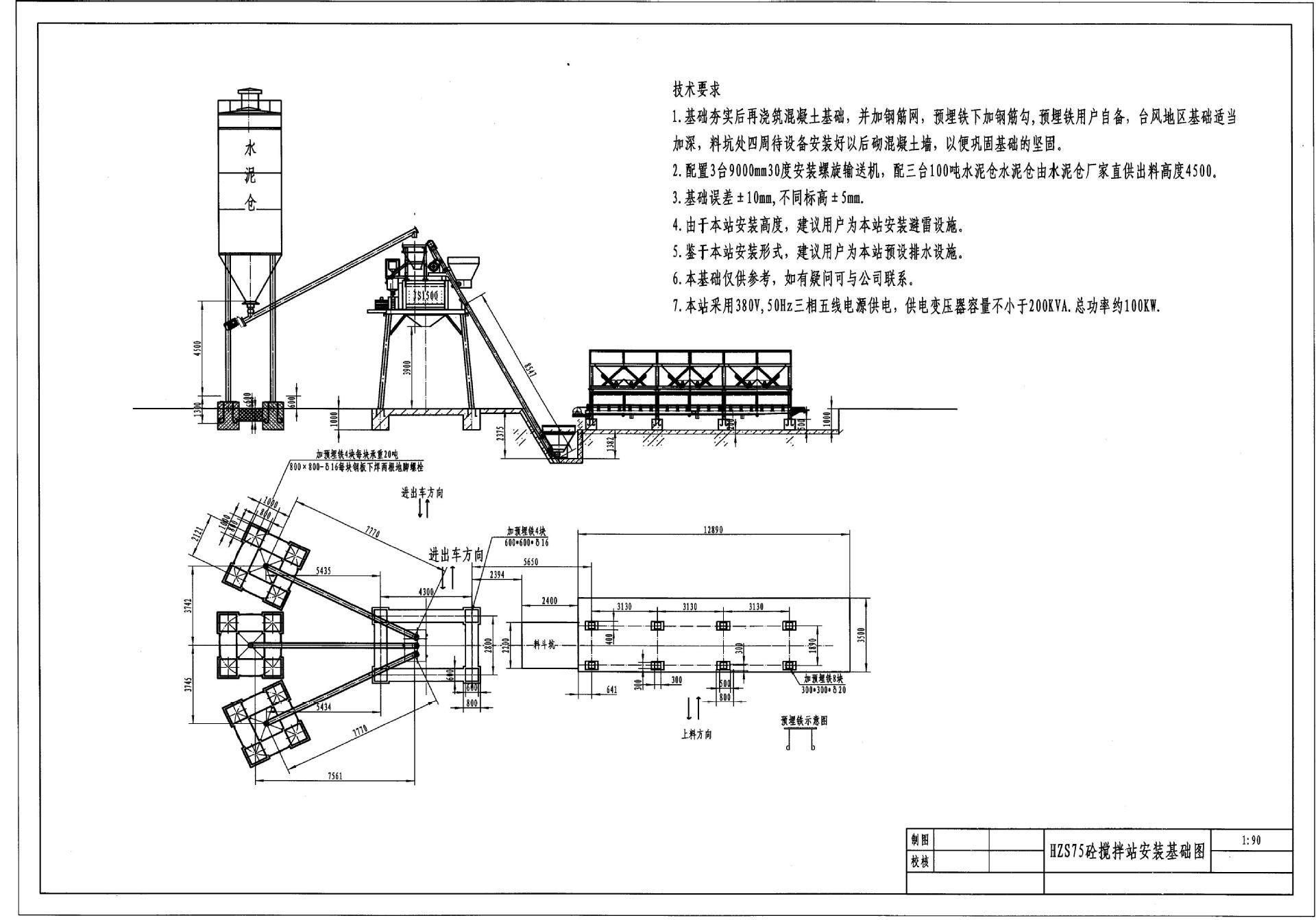
hzs90混凝土搅拌站设计图
图片尺寸800x565
hzs90混凝土搅拌站
图片尺寸1014x616
hzs120型混凝土搅拌站
图片尺寸2495x1568
hzs90混凝土搅拌站价格配置说明
图片尺寸904x523
cn204869257u_提升斗上料方式混凝土搅拌站失效
图片尺寸2817x1231![[湖南]铁路站前工程大临工程标准化总体建设方案48页](https://i.ecywang.com/upload/1/img1.baidu.com/it/u=1708201553,2134812048&fm=253&fmt=auto&app=138&f=JPEG?w=560&h=412)
[湖南]铁路站前工程大临工程标准化总体建设方案48页
图片尺寸560x412
混凝土搅拌站设计案例
图片尺寸608x455
搅拌站平面布置图
图片尺寸800x566
2hzs180混凝土搅拌站方案图
图片尺寸1123x744
搅拌站平面布置图-model
图片尺寸680x529
我局已完成对阜南县利民混凝土搅拌站规划建筑设计方案的审核,拟同意
图片尺寸4678x6622
几种不同型号搅拌站布置图
图片尺寸719x507
2hzs25混凝土搅拌站图纸
图片尺寸800x565