支管台标准

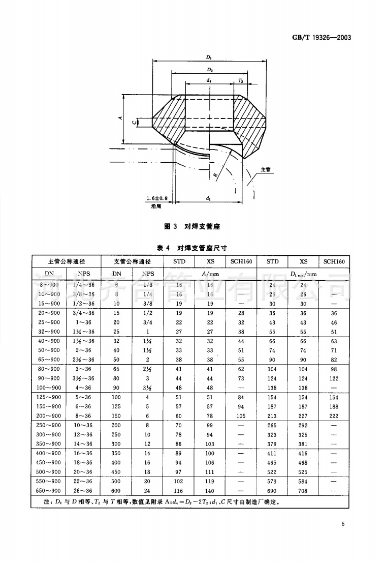
对焊支管台
图片尺寸1250x1684
齐合管业供应国标gb19326碳钢20# 不锈钢304对焊支管台dn15-600
图片尺寸758x1107
不锈钢承插件2205螺纹支管台unss31803支管台14462螺纹支管台
图片尺寸960x720
碳钢对焊支管台 承插支管台 焊接支管台生产销售厂家
图片尺寸1920x1280
定制适用对焊支管台螺纹支管台承插支管台美标支管台ansib1611支管台
图片尺寸800x800
铜仁低压支管台专业生产厂家
图片尺寸500x373
供应9000lb国标q345b合金钢支管台114寸承插gbt14383支管台河北多增
图片尺寸1080x1080
厂家供货支管台p91材质承插焊支管台佰誉支管台价格公道
图片尺寸750x750
供应锻造20号支管台 dn50焊接碳钢支管台河北多增厂家
图片尺寸750x1333
不锈钢承插件2205螺纹支管台unss31803支管台14462螺纹支管台
图片尺寸600x428
gb/t19326不锈钢对焊支管台承插支管座304螺纹支管座
图片尺寸800x800
穆棱mss sp97 f60npt支管台斜插支管台
图片尺寸1080x1440
不锈钢承插件2205螺纹支管台unss31803支管台14462螺纹支管台
图片尺寸1000x750
gbt19326锻制承插焊支管座msssp97丨焊接支管台
图片尺寸751x1178
b2b优选:支管台批发商
图片尺寸500x500
支管台
图片尺寸981x981
厂家供货支管台p91材质承插焊支管台佰誉支管台价格公道
图片尺寸750x750
穆棱mss sp97 f60npt支管台斜插支管台
图片尺寸1440x1920
碳钢对焊支管台 承插支管台 焊接支管台生产销售厂家
图片尺寸1690x1690
锻制高压支管台,制作标准为mss sp-97或者gb/t14383-2008标准,材质可
图片尺寸759x1104