数据传输系统

远程数据,图像传输系统技术方案
图片尺寸1000x972
机载网络数据的采集及同步传输系统
图片尺寸1000x890
二,系统通讯网及数据传输方案构建
图片尺寸1771x1030
gprs无线数据传输系统解决方案
图片尺寸533x364
一种基于可靠信道的多麦克风阵列数据传输系统
图片尺寸1330x1917
数据采集传输仪,环保数采仪,rtu,水质数采仪,vocs数采仪,在线监测系统
图片尺寸700x525
多媒体数据串流传输的系统及其方法
图片尺寸2454x1597
数据传输方法,装置和系统与流程
图片尺寸1000x500
无人车多路视频传输系统结构图
图片尺寸1552x1019
cn107707583a_云端数据传输系统及其动态分流方法在审
图片尺寸2253x1141
cn108718300b_一种gnss数据在线加密传输系统和方法有效
图片尺寸1934x1013
基于em200模块的无线数据传输系统设计
图片尺寸400x294
一种基于5g网络的无人机高清视频数据传输系统及方法
图片尺寸1583x1480
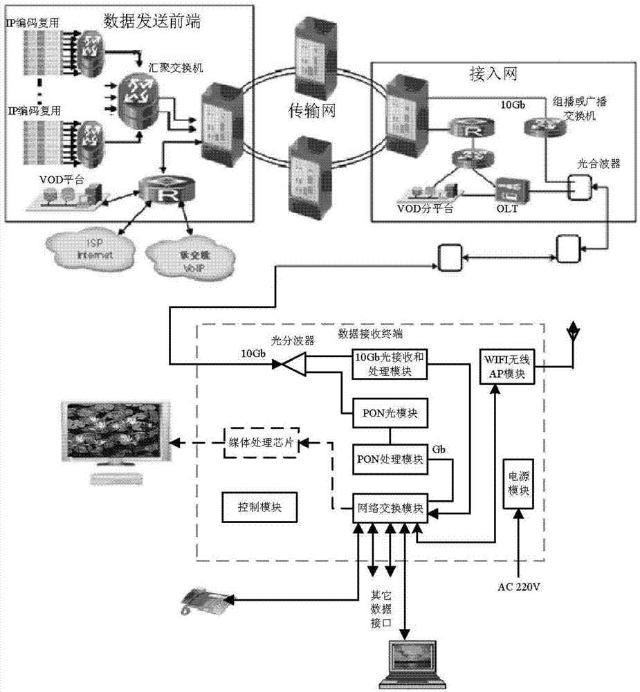
网络数据传输系统中的数据接收终端
图片尺寸925x1000
北斗电力水利弱信号无网络地区数据采集传输系统
图片尺寸1920x1080
数据传输的方法装置存储介质及系统与流程
图片尺寸1000x781
基于无线数据传输的地下建筑安全监控系统
图片尺寸1218x630
基于千兆以太网的高速数据传输系统设计
图片尺寸479x540
多模车地综合移动数据传输系统的制作方法
图片尺寸1000x556
一种sdn网络中实现服务器端跨域数据传输优化的系统和方法技术方案
图片尺寸1000x558