明沟怎么画

一种地下停车场排水明沟-爱企查
图片尺寸1925x1022![[问答题,案例分析题] 绘制转砌明沟的基本结构图.](https://i.ecywang.com/upload/1/img2.baidu.com/it/u=1364232312,421560092&fm=253&fmt=auto&app=138&f=JPG?w=293&h=277)
[问答题,案例分析题] 绘制转砌明沟的基本结构图.
图片尺寸293x277
一种地下停车场排水明沟的制作方法
图片尺寸1000x530
⑵分层明沟排水
图片尺寸640x422
这样的排水沟怎么定义怎么画?
图片尺寸907x549
散水做法:二,散水,明沟怎么做?
图片尺寸660x614
各位老师,这个散水明沟怎么绘?明沟用什么定义?
图片尺寸1028x522
明沟剖面示意图
图片尺寸560x435
哪部分算是明沟,请图示
图片尺寸895x819
基于秸秆资源利用的生态型排水明沟的制作方法
图片尺寸556x552
分布于农田内用于埋设暗管的暗管埋设沟,暗管埋设沟的出口连接明沟
图片尺寸1000x730
化粪池渗漏严重,功能退化×洗车废水通过雨水井或明沟排入河道
图片尺寸846x583
农村自建房,手把手教你做墙角防水,散水明沟
图片尺寸660x660
广联达钢筋软件绘制排水沟
图片尺寸688x418
(1)暗沟相对于地面排水的明沟而言,暗沟又称盲沟,是指设在地面以下
图片尺寸640x331
工程明沟排水节点标准做法看看牛人是怎么做的
图片尺寸504x585
散水明沟暗沟应该怎么布置
图片尺寸1273x817
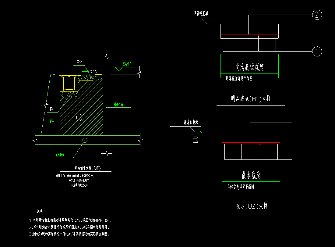
散水明沟暗沟应该怎么布置
图片尺寸1100x810
一种预制装配式散水明沟的制作方法
图片尺寸1000x685![[提问]排水沟怎么定义](https://i.ecywang.com/upload/1/img2.baidu.com/it/u=3500085984,1923693158&fm=253&fmt=auto&app=138&f=JPEG?w=500&h=667)
[提问]排水沟怎么定义
图片尺寸760x1014