晶闸管故障

伊顿软启动s811晶闸管短路故障
图片尺寸2248x4000
这是什么情况
图片尺寸780x1040
新日电动车充电器不能充电检修故障
图片尺寸1226x641
电动钻机scr房大功率晶闸管故障分析.pdf
图片尺寸800x1124
西驰lx软启动器故障代码以及解决办法
图片尺寸590x775
单向可控硅触发电路故障分析
图片尺寸2178x1488
一种晶闸管故障检测系统及方法
图片尺寸1542x892
电磁炉断续加热故障牵连故障点较多,检修起来比较麻烦.
图片尺寸988x433![变频调速应用技术 61 [视频课程]变频器选型,日常维护和故障处理](https://i.ecywang.com/upload/1/img0.baidu.com/it/u=2679035065,2266141024&fm=253&fmt=auto&app=138&f=JPEG?w=660&h=500)
变频调速应用技术 61 [视频课程]变频器选型,日常维护和故障处理
图片尺寸800x606
使用泄流型保护晶闸管避免现场故障
图片尺寸465x362
xck-is晶闸管电源
图片尺寸1300x731
换流阀由几十个晶闸管串联而成,每个晶闸管都是一种四层结构的大功率
图片尺寸1268x783
① 向晶闸管保护用的电感线圈.
图片尺寸580x421
串联晶闸管的快速故障检测装置-爱企查
图片尺寸1055x916
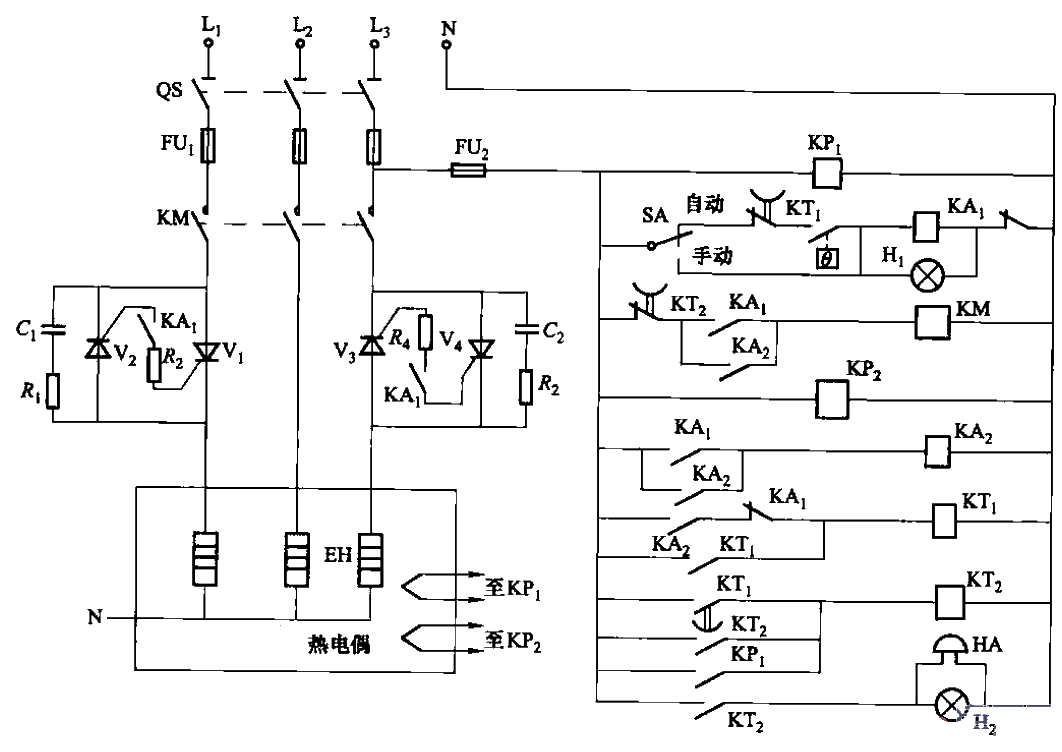
当kpi失灵,热电偶烧断或晶闸管击穿直通等故障造成电炉超温(如高于
图片尺寸1062x752
可控硅故障及分析a
图片尺寸920x690
3个电容有故障会怎么样?谢谢!
图片尺寸1986x2137
晶闸管式过电流保护电路之六
图片尺寸708x432
晶闸管式过电流保护电路之四
图片尺寸611x438
led灯闪烁故障解决方法 - 百度文库
图片尺寸496x702