板框压滤机图纸

板框压滤机的制作方法
图片尺寸1000x913
板框压滤机cad图纸
图片尺寸1440x1020
一种板框压滤机的制作方法
图片尺寸1000x719
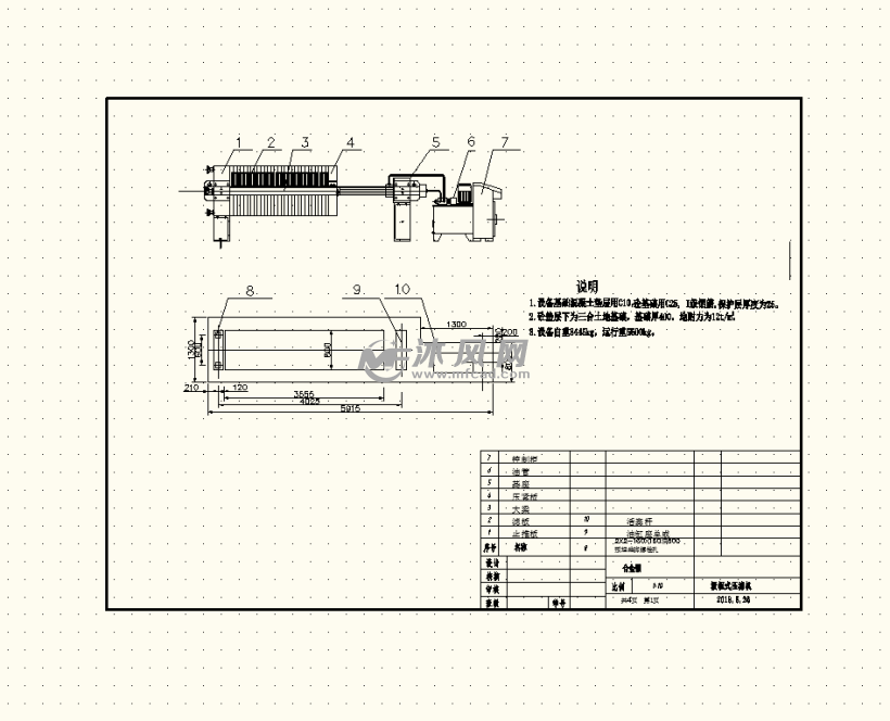
自动卸料板框压滤机cad图纸机械设备cad图纸
图片尺寸972x691
一种化工用板框式压滤机的制作方法
图片尺寸1000x565
板框压滤机cad图纸.dwg
图片尺寸1200x800
悬梁式板框压滤机外形尺寸cad图dwg图纸
图片尺寸577x531
cn207085442u_一种板框压滤机有效
图片尺寸2101x1020
250平方高压板框压滤机kx250-1500快开式隔膜压滤机装配cad图纸
图片尺寸800x800
板框压滤机cad图纸
图片尺寸3054x2190
供应花生油,芝麻油,豆油,菜籽油,茶油压榨过滤铁板框式压滤机
图片尺寸438x943
板框式压滤机cad图纸机械设备cad图纸
图片尺寸925x669
xy630 系列板框压滤机技术参数英文版
图片尺寸1719x1375
50平方mmyg50800隔膜板框压滤机全套cad生产图纸
图片尺寸804x611
分享cad板框压滤机资料下载
图片尺寸887x632
侧杠式板框压滤机外形尺寸图下载(1.42m,dwg格式) 机械cad图纸
图片尺寸891x590
基于plc的板框式压滤机控制系统设计 - 设计方案图纸 - 沐风网
图片尺寸820x664
50平方mmyg50800隔膜板框压滤机全套cad生产图纸
图片尺寸820x586
华能金昊环境生产板框压滤机型号ud 板框式污泥压滤机
图片尺寸700x520
年产5000吨硫酸铜工艺板框压滤机设计 - 设计方案图纸 - 沐风网
图片尺寸820x555