柱上开关结构

柱上断路器的制作方法
图片尺寸761x1000
四,zw20-12f柱上分界断路器内部结构
图片尺寸726x446
柱上高压计量型分界开关的制作方法
图片尺寸716x1000
fzw32户外柱上高压断路器fzw32-12真空负荷开关 图
图片尺寸657x941
柱上开关
图片尺寸1803x2052
一种一二次设备深度融合的户外柱上开关
图片尺寸1000x704
高压电器 > 柱上真空开关厂家 特点 1 断路器采用三相支柱式结构
图片尺寸600x546
柱上智能真空断路器zw32-40.5m/1000-20参数
图片尺寸673x490
gw4405kv高压隔离开关完善化型户外柱上单接地双接地
图片尺寸780x1048
柱上sf6负荷开关的制作方法
图片尺寸1000x616
一种一二次设备深度融合的户外柱上开关的制作方法
图片尺寸1000x704
详解10kv柱上开关(隔离,负荷,断路器及熔断器)用处与差别
图片尺寸508x452
pgs-24柱上负荷开关
图片尺寸1000x622
10千伏看门狗高压真空开关zw3212
图片尺寸700x873
一种外置电流互感器的柱上开关制造技术
图片尺寸294x316
厂家定制10kv柱上分界开关zw32-12/630a高压手动电动真空断路器
图片尺寸750x1898
pgs-40.5柱上负荷开关
图片尺寸1000x622
一种设置有电压互感器安装支架的一体式柱上开关
图片尺寸1560x1561
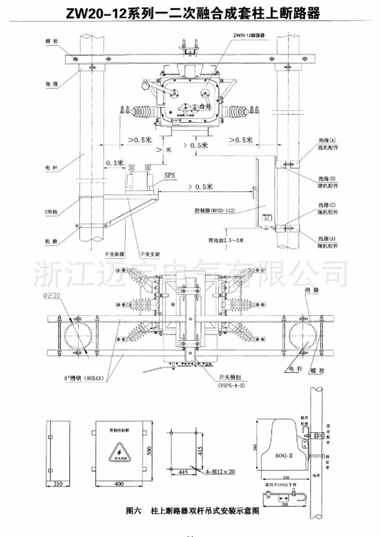
zw20真空开关10kv一二次融合成套柱上断路器户外真空断路器sf6
图片尺寸750x1057
cn213691870u_一种提升zw8-12型户外柱上高压交流真空断路器有效
图片尺寸1686x1978