欧姆表原理

欧姆表原理
图片尺寸500x427
欧姆表的原理及内部原理结构
图片尺寸1080x810
欧姆表换挡原理
图片尺寸920x1302
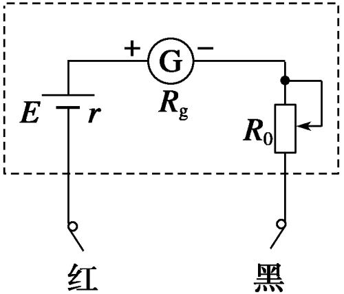
欧姆表是在电流表的基础上改装而成的为了使测量电阻时电流表指针能够
图片尺寸536x266
欧姆表实现不同倍率的原理docx10页
图片尺寸792x1121
根据电压产生的方式不同,分为手摇式兆欧表和电子式兆欧表,其 原理图
图片尺寸1080x810
欧姆表实现不同倍率的原理
图片尺寸920x1303
欧姆表 (1)欧姆
图片尺寸1367x1209
高中物理:这道欧姆表的考查题可"不简单"
图片尺寸640x807
讲解正确使用兆欧表
图片尺寸640x480
欧姆表实现不同倍率的原理
图片尺寸920x1303
欧姆表实现不同倍率的原理doc
图片尺寸920x1302
(1)该同学先测量欧姆表内电源的电动势e,实验步骤
图片尺寸556x262
设计组装欧姆表
图片尺寸429x262
欧姆表知识要点
图片尺寸1080x1439
某兴趣小组自制了一个多量程的欧姆表,其电路图如图甲所示.
图片尺寸538x272
某同学学习了欧姆表原理后想自己用一个电流表改装成有两个倍率的欧姆
图片尺寸1210x1340
欧姆表
图片尺寸212x220
欧姆表指针偏转过小公开课多用电表之欧姆表原理
图片尺寸720x405
如图7-6-11所示是欧姆表的工作原理图.
图片尺寸383x279