止回阀cad

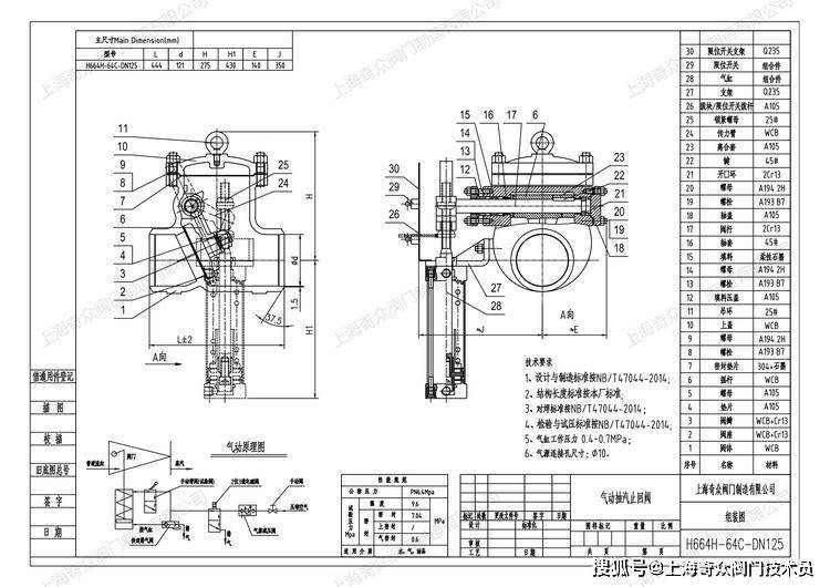
气动抽气止回阀的cad图纸和结构原理
图片尺寸1654x2339
止回阀操作使用说明书
图片尺寸458x417
供应bh44h16c保温法兰止回阀
图片尺寸330x330
h42h立式止回阀
图片尺寸220x218
升降止回阀
图片尺寸421x400
hc44x橡胶瓣式止回阀
图片尺寸220x207
液动升降式抽汽止回阀工作原理
图片尺寸524x818
h44f4616cp碳钢衬四氟法兰止回阀旋启式耐强酸碱强腐蚀性阀门定制dn25
图片尺寸800x377
静音止回阀
图片尺寸220x200
气动抽气止回阀(check valve)特征以及其结构的优势_搜狐汽车_搜狐网
图片尺寸750x530
床畔厨房50下水道止逆阀翻板式单向阀pvc50mm排水管止回阀反水 50mm
图片尺寸750x459
石化止回阀安装注意事项
图片尺寸650x274
电厂阀门(止回阀,疏水阀)的检修清理
图片尺寸640x640
(3)在大口径的水泵出水管上安装缓闭止回阀可有效的消除停泵水锤,但因
图片尺寸619x256
干货满满距离你成为cad制图工艺流程图设计高手就差这一步
图片尺寸640x545
石化止回阀安装注意事项
图片尺寸452x227
控制阀▼500x泄压/持压阀▼400x流量控制阀▼300x缓闭式止回阀▼200
图片尺寸555x233
h41法兰升降式止回阀
图片尺寸250x93
太全了简单清晰直观易懂水泵止回阀原理一目了然
图片尺寸640x368
阀门|止回阀|下水道|排水管|燃气热水器_网易订阅
图片尺寸640x252