水位检测电路

这是个水位检测电路,讲下原理
图片尺寸540x960
该水位指示器电路由水位检测电路和led驱动电路组成,如图4-162所示.
图片尺寸2549x1230
模电课程设计水位检测电路的设计
图片尺寸1102x524
水位检测电路
图片尺寸1197x283
免费文档 所有分类 工程科技 电子/电路 自制简易水位检测器 当水箱内
图片尺寸1069x554
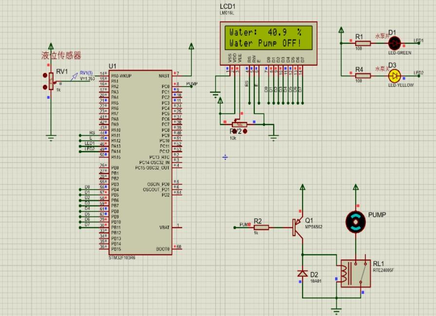
stm32单片机的水位检测系统设计
图片尺寸895x650
水位没有达到金属块a时,灯l1亮;水位达到金属块a时,由于一般的水是
图片尺寸1053x606
一种雾化器用水位检测电路的制作方法
图片尺寸1000x647
6路电极式水位信号检测电路光耦隔离24v电压plc配套水池水箱液位
图片尺寸4552x4552
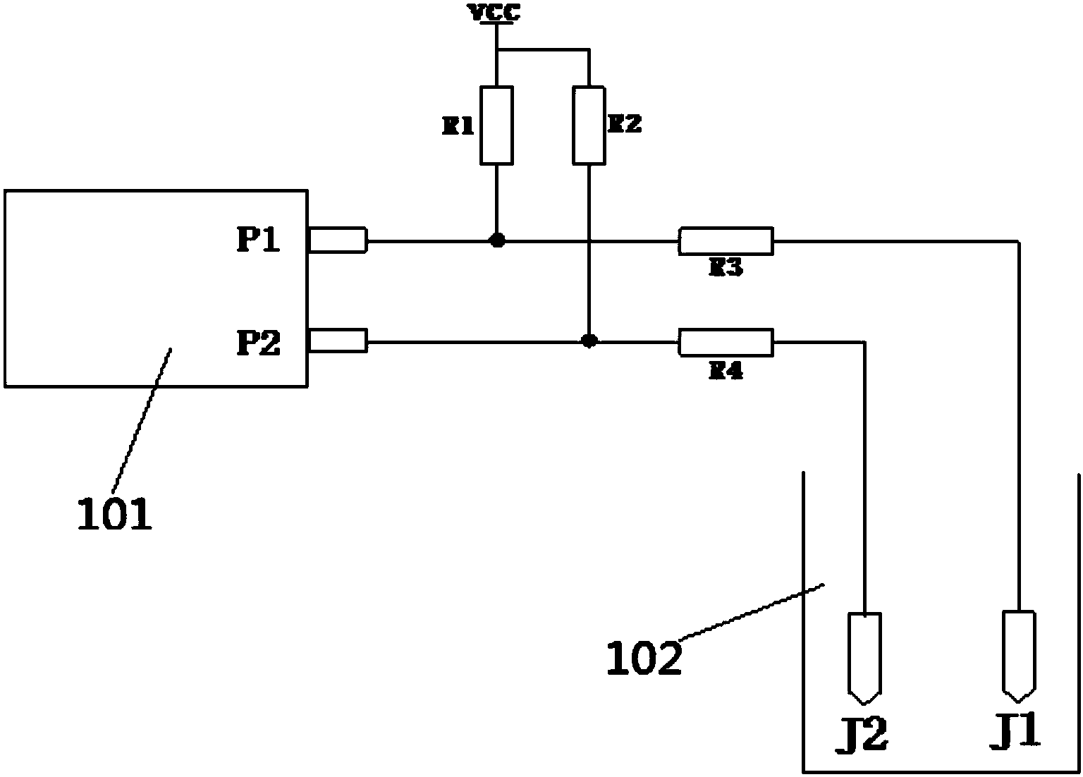
一种水位检测电路
图片尺寸1536x1102
一种基于交流脉冲信号的水位检测电路的制作方法
图片尺寸1000x535
本例介绍一款采用cd4069数字集成电路制作的水位检测器,它能在水箱
图片尺寸2069x1146
水位检测电路
图片尺寸1877x1085
报警电路:5v有源蜂鸣器x1,s8550三极管x1,1kΩx1 水位测量电路:hc
图片尺寸650x507
so fashionable的水位检测报警器,i love it!
图片尺寸649x314
图3 液位测量及控制电路
图片尺寸688x374
一种用于茶吧机的水位感应检测电路
图片尺寸1958x694
无忧文档 所有分类 工程科技 电子/电路 水位传感器自动测试系统及
图片尺寸1612x1001
水位报警器电路图
图片尺寸871x346
交流检测水位报警器电路
图片尺寸695x296