水绵梯形接合图

水绵属
图片尺寸500x729
水绵的接合生殖和合子萌发高级中学课本生物教学挂图
图片尺寸400x300
海藻学第二节 绿藻门分类ppt
图片尺寸1080x810
电气控制电路图与梯形图的工作原理
图片尺寸640x539
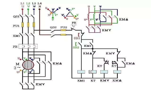
图5-60 y-△减压启动梯形图
图片尺寸640x363
求这个电路图的plc梯形图
图片尺寸929x502
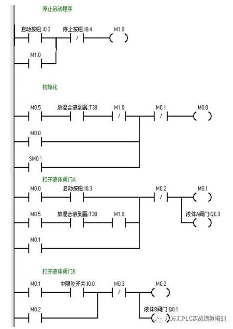
使用plc改造图中自动切换的y–Δ接法降压启动电路,绘出梯形图.谢谢!
图片尺寸468x483
抢答器梯形图,抢答器电路plc梯形图程序设计实例,适用于西门子plc
图片尺寸729x561
中国工控|这几种plc接线图和梯形图一定要知道!
图片尺寸1080x1163
plc电机正反转控制电路图梯形图程序
图片尺寸940x586
plc编程的梯形图plc编程100例梯形图2022已更新今日图集
图片尺寸474x669
电气控制电路图与梯形图的工作原理
图片尺寸640x1120
plc电机正反转梯形图 梯形图电机正反转自动运行plc编程
图片尺寸640x1138
信捷plc梯形图
图片尺寸587x432
3秒顺序启动,工作5秒后,每隔3秒顺序停车的plc的接线图和梯形图微信
图片尺寸599x510
基于plc的异步电动机正反转控制图,梯形图好像有问题,大神帮忙看下吧
图片尺寸594x639
双星藻属
图片尺寸258x276
西门子plc编程接线图详解及梯形图程序实例
图片尺寸640x382
plc快速入门 | 西门子plc编程接线图详解及梯形图程序实例
图片尺寸640x436
图a-1 梯形图 图a-2 梯形图 第1页
图片尺寸500x178