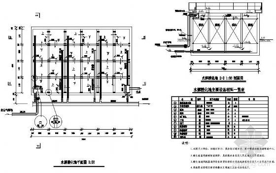
水解酸化池CAD

水解酸化池工艺布置图
图片尺寸560x420
水解酸化-接触氧化工艺全套图纸
图片尺寸760x570
分享水解酸化cad资料下载
图片尺寸560x398
酸化水解
图片尺寸560x351
3,水解酸化法的优点是什么?
图片尺寸656x406
水解酸化池调试手册_手机搜狐网
图片尺寸610x432
【废水】水解酸化— sbr工艺处理 中药废水
图片尺寸536x547
某印刷电路板厂污水水解酸化处理流程图
图片尺寸760x569
水解酸化-a/o 法处理工业园区污水的工艺设计
图片尺寸640x244
62种污水,废水处理典型工艺和工艺流程图
图片尺寸640x295
实验装置02以该盐化城综合污水处理厂水解酸化池出水作为本中试实验的
图片尺寸700x459
水解酸化 改良aao工艺 臭氧氧化 曝气生物滤池 滤布滤池 接触消毒"
图片尺寸1214x398
废水,污水处理难度大,根据进水水质特性在预处理工艺段设置水解酸化池
图片尺寸704x346
分享圆形沉淀池节点构造详图资料下载
图片尺寸429x538
专利展播∣一种组合式农村生活污水处理系统zl2017205370855
图片尺寸514x331
4水解酸化—a/o—baf 联合工艺处理印染废水该组合具有以下优势:(1)
图片尺寸640x302
深圳一洲际酒店陷"排污门"争议
图片尺寸660x218
养殖场污水如何处理|养殖场废水要怎么处理才能达标
图片尺寸750x2211
废水_消毒_疫情
图片尺寸1080x332
(一)水解酸化—sbr法处理黄酒废水二,黄酒主要废水处理工艺的比较与
图片尺寸561x237