汽车ECU接线图

ecu安装和接线初学者指南 可编辑接线图下载
图片尺寸1728x1080
卡特c9发动机ecu 电控系统接线图
图片尺寸1453x1923
cv6降成本ecu电路图
图片尺寸1835x1388
五菱发动机ecu电脑版接线针脚图 - 抖音
图片尺寸1080x2388
江苏宗申小课堂:电喷车型ecu线路图
图片尺寸660x1060
2013年汽车发动机电脑板端子定义#针脚图 - 抖音
图片尺寸1169x824
国六ecu刷死救活,上电通讯针脚定义图#汽修知识 #ecu刷 - 抖音
图片尺寸1069x762
汽车ecu接线图
图片尺寸500x708
接线图发动机维修: fadongjiweixiu修车技术|修车人生|管理经营|汽车
图片尺寸601x404
6l)94 60ecu针脚
图片尺寸5262x3828
驾校应用东风奕炫汽车ecu中can数据转速刹车档位数据升级更新
图片尺寸2194x1624
德尔福,康明斯系列,ecu上电通讯针脚定义图,需要的老铁收藏 - 抖音
图片尺寸1080x609
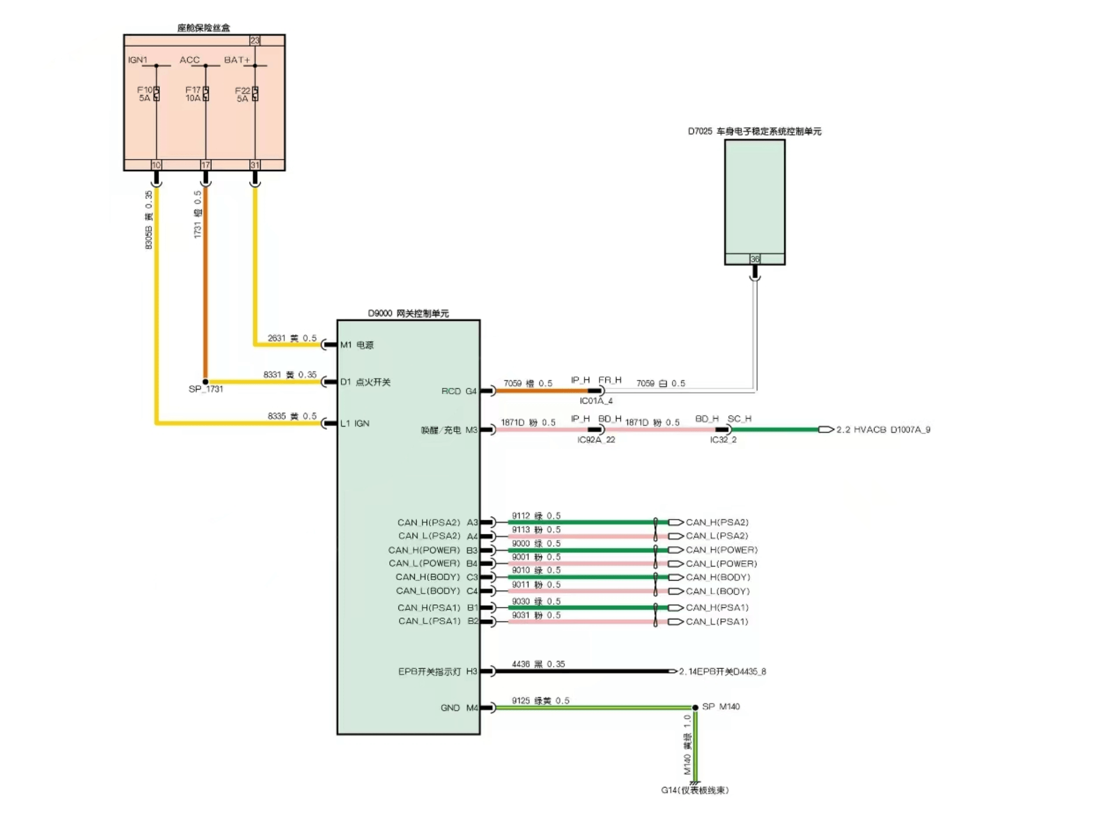
汽车电子ecu控制单元
图片尺寸1569x962
潍柴,玉柴,雷诺,上菲红等车型都在用它 ecu读写及诊断接线图 北汽福田
图片尺寸520x401
部分车型发动机电脑针脚图 ,懂你的汽车维
图片尺寸1080x723
丰田凯美瑞ecu接线图
图片尺寸720x1018
ecu管脚定义及外围接线图
图片尺寸1745x1222
常用丰田发动机电脑ecu针脚定义和部分接线方法
图片尺寸2642x1868
汽车ecu详解
图片尺寸554x391
新能源汽车整车控制器(vcu)
图片尺寸1080x1065